Описание
Характеристики
Отзывы
Описание
Если Вы хотите заказать изделие из нержавеющей стали, замените первые две цифры артикула с 10... на 11...
Характеристики
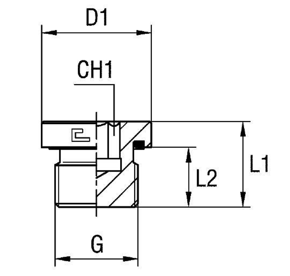
| Артикул | Бренд | CH1 | L1 (мм) | L2 (мм) | Ø трубы D1 | WP (bar) | Исполнение трубного соединения | резьба G | Резьба ТС 1 | Резьба ТС 2 | серия | Стандарт ТС | Тип трубного соединения |
| 107602 | CAST | 6 | 17 | 12 | 19 | 400 | прямой | 1/4 | BSP | S | Соединения 24° DIN 2353 | заглушка |
Характеристики
Бренд
CAST
D трубы M1 D1
19
WP (bar) рабочее давление
400
Исполнение трубного соединения
прямой
Размер CH1
6
Размер L1 (мм)
17
Размер L2 (мм)
12
Размер резьбы 5
1/4
Резьба ТС 1
BSP
Серия
S
Стандарт трубных соединений
Соединения 24° DIN 2353
Тип трубного соединения
заглушка
Все характеристики
Отзывы
Отзывов еще никто не оставлял
