Описание
Характеристики
Отзывы
Описание
Если Вы хотите заказать изделие из нержавеющей стали, замените первые две цифры артикула с 10... на 11...
Характеристики
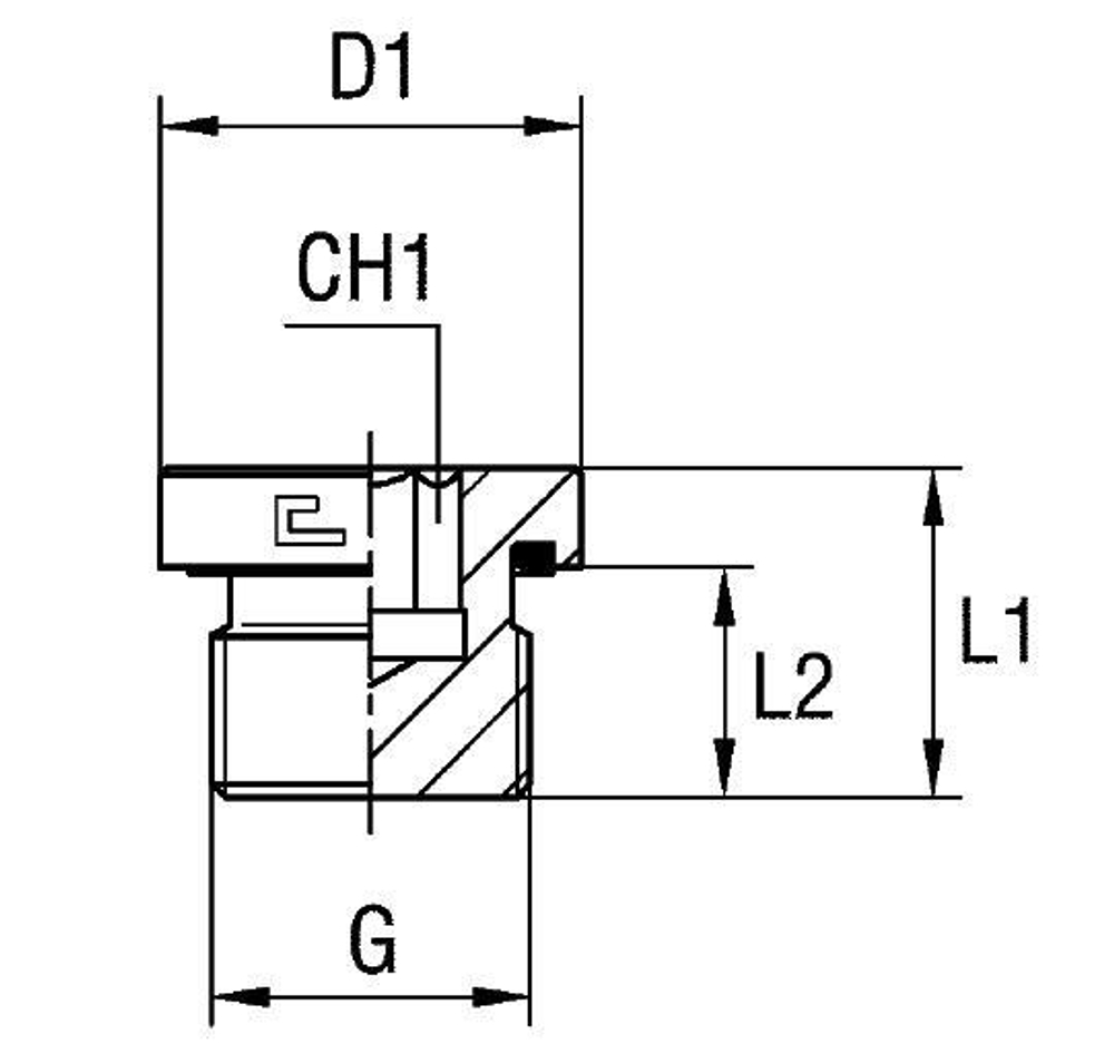
| Артикул | Бренд | CH1 | L1 (мм) | L2 (мм) | Ø трубы D1 | WP (bar) | Исполнение трубного соединения | резьба G | Резьба ТС 1 | Резьба ТС 2 | серия | Стандарт ТС | Тип трубного соединения |
| 107607 | CAST | 22 | 22,5 | 16 | 50 | 250 | прямой | 1 1/4 | BSP | S | Соединения 24° DIN 2353 | заглушка |
Характеристики
Бренд
CAST
D трубы M1 D1
50
WP (bar) рабочее давление
250
Исполнение трубного соединения
прямой
Размер CH1
22
Размер L1 (мм)
22,5
Размер L2 (мм)
16
Размер резьбы 5
1 1/4
Резьба ТС 1
BSP
Серия
S
Стандарт трубных соединений
Соединения 24° DIN 2353
Тип трубного соединения
заглушка
Все характеристики
Отзывы
Отзывов еще никто не оставлял
