Описание
Характеристики
Отзывы
Описание
Если Вы хотите заказать изделие из нержавеющей стали, замените первые две цифры артикула с 10... на 11...
Характеристики
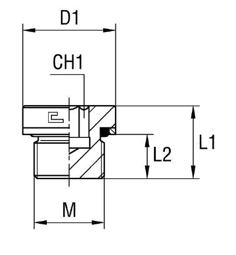
| Артикул | Бренд | CH1 | L1 (мм) | L2 (мм) | Ø трубы D1 | WP (bar) | Исполнение трубного соединения | резьба M | Резьба ТС 1 | Резьба ТС 2 | серия | Стандарт ТС | Тип трубного соединения |
| 107901 | CAST | 5 | 12 | 7,5 | 14 | 315 | прямой | 10x1 | M | L | Соединения 24° DIN 2353 | заглушка |
Характеристики
Бренд
CAST
D трубы M1 D1
14
WP (bar) рабочее давление
315
Исполнение трубного соединения
прямой
Размер CH1
5
Размер L1 (мм)
12
Размер L2 (мм)
7,5
Резьба ТС 1
M
Серия
L
Стандарт трубных соединений
Соединения 24° DIN 2353
Тип трубного соединения
заглушка
Размер резьбы 12
10x1
Все характеристики
Отзывы
Отзывов еще никто не оставлял
