Описание
Характеристики
Отзывы
Описание
Если Вы хотите заказать фитинг из нержавеющей стали AISI 316, замените первые две цифры артикула с 10.... на 11....
Если Вы хотите заказать фитинг из нержавеющей стали AISI 316 с гайкой из нержавеющей стали AISI 304, замените первые две цифры артикула с 10.... на 14....
Если Вы хотите заказать фитинг из нержавеющей стали AISI 316 с гайкой из нержавеющей стали AISI 304, замените первые две цифры артикула с 10.... на 14....
Характеристики
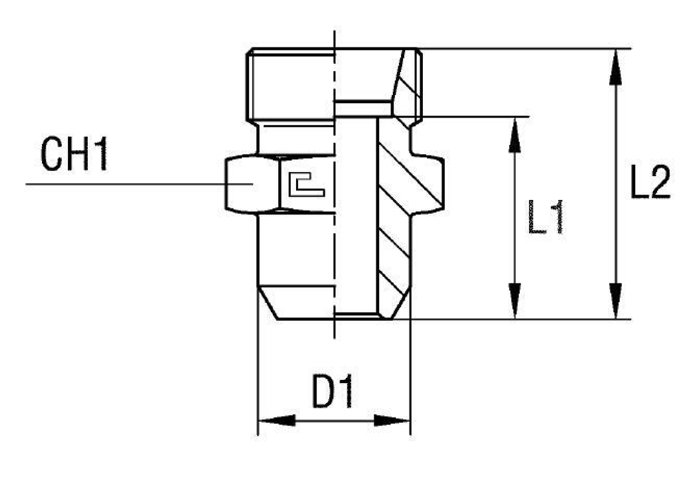
| Артикул | Бренд | CH1 | CH2 | D1 | L1 (мм) | L2 (мм) | L3 | Ø трубы D1 | WP (bar) | Исполнение трубного соединения | Резьба ТС 1 | Резьба ТС 2 | серия | Стандарт ТС | Тип трубного соединения |
| 105518.1 | CAST | 24 | 27 | 19 | 27 | 35 | 45 | 14 | 630 | прямой | M | S | Соединения 24° DIN 2353 | приварной |
Характеристики
Бренд
CAST
D трубы M1 D1
14
WP (bar) рабочее давление
630
Исполнение трубного соединения
прямой
Размер CH1
24
Размер CH2
27
Размер L1 (мм)
27
Размер L2 (мм)
35
Резьба ТС 1
M
Серия
S
Стандарт трубных соединений
Соединения 24° DIN 2353
Тип трубного соединения
приварной
Размер L3
45
Размер D1
19
Все характеристики
Отзывы
Отзывов еще никто не оставлял
