Описание
Характеристики
Отзывы
Описание
Если Вы хотите заказать фитинг из нержавеющей стали AISI 316, замените первые две цифры артикула с 10.... на 11....
Если Вы хотите заказать фитинг из нержавеющей стали AISI 316 с гайкой из нержавеющей стали AISI 304, замените первые две цифры артикула с 10.... на 14....
Если Вы хотите заказать фитинг из нержавеющей стали AISI 316 с гайкой из нержавеющей стали AISI 304, замените первые две цифры артикула с 10.... на 14....
Характеристики
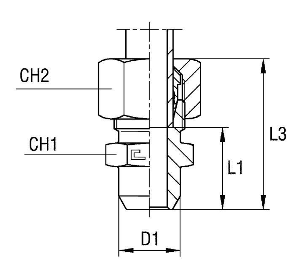
| Артикул | Бренд | CH1 | CH2 | D1 | L1 (мм) | L2 (мм) | L3 | Ø трубы D1 | WP (bar) | Исполнение трубного соединения | Резьба ТС 1 | Резьба ТС 2 | серия | Стандарт ТС | Тип трубного соединения |
| 105506 | CAST | 17 | 19 | 14 | 18 | 25 | 33 | 10 | 315 | прямой | M | L | Соединения 24° DIN 2353 | приварной |
Характеристики
Бренд
CAST
D трубы M1 D1
10
WP (bar) рабочее давление
315
Исполнение трубного соединения
прямой
Размер CH1
17
Размер CH2
19
Размер L1 (мм)
18
Размер L2 (мм)
25
Резьба ТС 1
M
Серия
L
Стандарт трубных соединений
Соединения 24° DIN 2353
Тип трубного соединения
приварной
Размер L3
33
Размер D1
14
Все характеристики
Отзывы
Отзывов еще никто не оставлял
