Описание
Характеристики
Отзывы
Описание
Если Вы хотите заказать фитинг из нержавеющей стали AISI 316, замените первые две цифры артикула с 10.... на 11....
Если Вы хотите заказать фитинг из нержавеющей стали AISI 316 с гайкой из нержавеющей стали AISI 304, замените первые две цифры артикула с 10.... на 14....
Позиция доступна только по запросу.
Если Вы хотите заказать фитинг из нержавеющей стали AISI 316 с гайкой из нержавеющей стали AISI 304, замените первые две цифры артикула с 10.... на 14....
Позиция доступна только по запросу.
Характеристики
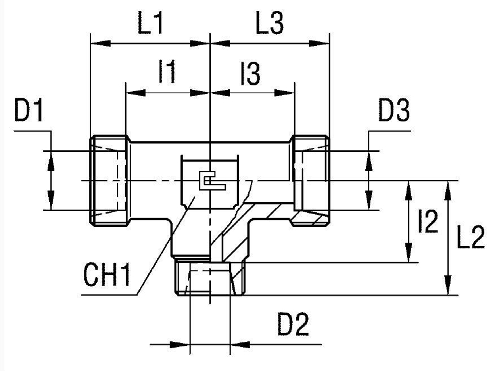
| Артикул | Бренд | CH1 | I1 | I2 | I3 | L1 (мм) | L2 (мм) | L3 | L4 | L5 | L6 | Ø трубы D1 | Ø трубы D2 | Ø трубы D3 | WP (bar) | Исполнение трубного соединения | Резьба ТС 1 | Резьба ТС 2 | серия | Стандарт ТС | Тип трубного соединения |
| 104535.1 | CAST | 27 | 27,5 | 26,5 | 27,5 | 35 | 34 | 35 | 44 | 43 | 44 | 22 | 18 | 22 | 250 | T-образный | M | M | L | Соединения 24° DIN 2353 | проходной/адаптер |
Характеристики
Бренд
CAST
D трубы M1 D1
22
WP (bar) рабочее давление
250
Исполнение трубного соединения
T-образный
Размер CH1
27
Размер L1 (мм)
35
Размер L2 (мм)
34
Резьба ТС 1
M
Резьба ТС 2
M
Серия
L
Стандарт трубных соединений
Соединения 24° DIN 2353
Тип трубного соединения
проходной/адаптер
Размер L3
35
Размер L4
44
Размер L5
43
Размер L6
44
D трубы M2 D2
18
D трубы M3 D3
22
Размер I1
27,5
Размер I2
26,5
Размер I3
27,5
Все характеристики
Отзывы
Отзывов еще никто не оставлял
