Описание
Характеристики
Отзывы
Описание
Если Вы хотите заказать изделие из нержавеющей стали, замените первые две цифры артикула с 60.... на 61....
Характеристики
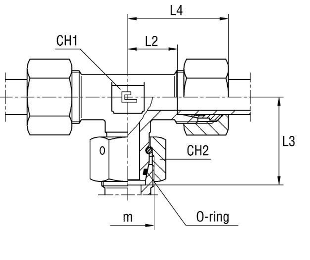
| Артикул | Бренд | CH1 | CH2 | CH3 | L1 (мм) | L2 (мм) | L3 | L4 | Ø трубы D1 | Ø трубы D2 | WP (bar) | Исполнение трубного соединения | резьба m D1 | резьба m D2 | Резьба ТС 1 | Резьба ТС 2 | серия | Стандарт ТС | Тип трубного соединения |
| 605021 | CAST | 36 | 46 | 46 | 42 | 30 | 50 | 54 | 25 | 25 | 420 | T-образный | 36x2 | 36x2 | M | M | S | Соединения 24° DIN 2353 | проходной/адаптер |
Характеристики
Бренд
CAST
D трубы M1 D1
25
WP (bar) рабочее давление
420
Исполнение трубного соединения
T-образный
Размер CH1
36
Размер CH2
46
Размер L1 (мм)
42
Размер L2 (мм)
30
Резьба ТС 1
M
Резьба ТС 2
M
Серия
S
Стандарт трубных соединений
Соединения 24° DIN 2353
Тип трубного соединения
проходной/адаптер
Размер L3
50
Размер резьбы 1
36x2
Размер L4
54
Размер CH3
46
D трубы M2 D2
25
Размер резьбы 2
36x2
Все характеристики
Отзывы
Отзывов еще никто не оставлял
