Описание
Характеристики
Отзывы
Описание
Если Вы хотите заказать изделие из нержавеющей стали, замените первые две цифры артикула с 60.... на 61....
Характеристики
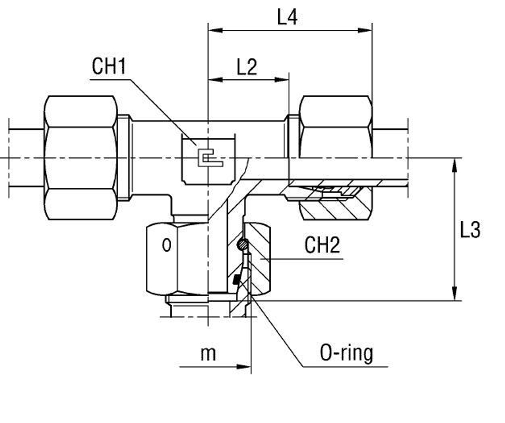
| Артикул | Бренд | CH1 | CH2 | CH3 | L1 (мм) | L2 (мм) | L3 | L4 | Ø трубы D1 | Ø трубы D2 | WP (bar) | Исполнение трубного соединения | резьба m D1 | резьба m D2 | Резьба ТС 1 | Резьба ТС 2 | серия | Стандарт ТС | Тип трубного соединения |
| 605008 | CAST | 19 | 27 | 27 | 28 | 21 | 32,5 | 36 | 15 | 15 | 400 | T-образный | 22x1.5 | 22x1.5 | M | M | L | Соединения 24° DIN 2353 | проходной/адаптер |
Характеристики
Бренд
CAST
D трубы M1 D1
15
WP (bar) рабочее давление
400
Исполнение трубного соединения
T-образный
Размер CH1
19
Размер CH2
27
Размер L1 (мм)
28
Размер L2 (мм)
21
Резьба ТС 1
M
Резьба ТС 2
M
Серия
L
Стандарт трубных соединений
Соединения 24° DIN 2353
Тип трубного соединения
проходной/адаптер
Размер L3
32,5
Размер резьбы 1
22x1.5
Размер L4
36
Размер CH3
27
D трубы M2 D2
15
Размер резьбы 2
22x1.5
Все характеристики
Отзывы
Отзывов еще никто не оставлял
