Описание
Характеристики
Отзывы
Описание
Если Вы хотите заказать изделие из нержавеющей стали, замените первые две цифры артикула с 60.... на 61....
Характеристики
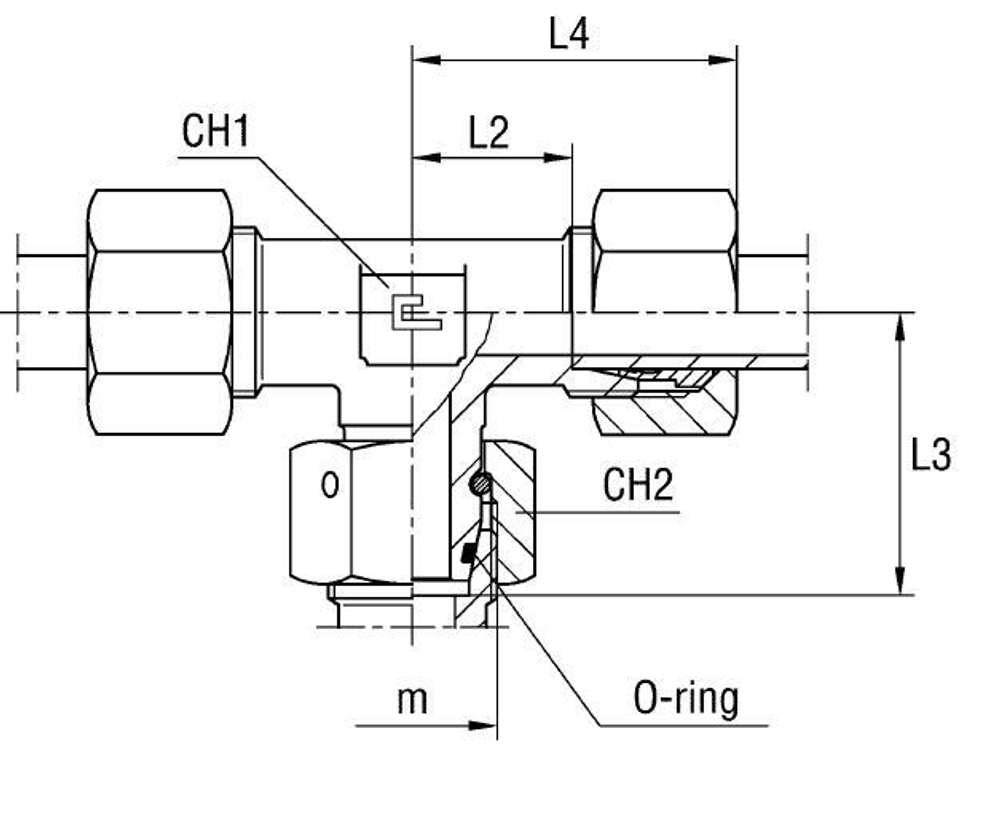
| Артикул | Бренд | CH1 | CH2 | CH3 | L1 (мм) | L2 (мм) | L3 | L4 | Ø трубы D1 | Ø трубы D2 | WP (bar) | Исполнение трубного соединения | резьба m D1 | резьба m D2 | Резьба ТС 1 | Резьба ТС 2 | серия | Стандарт ТС | Тип трубного соединения |
| 605006 | CAST | 14 | 19 | 19 | 22 | 15 | 29 | 30 | 10 | 10 | 500 | T-образный | 16x1.5 | 16x1.5 | M | M | L | Соединения 24° DIN 2353 | проходной/адаптер |
Характеристики
Бренд
CAST
D трубы M1 D1
10
WP (bar) рабочее давление
500
Исполнение трубного соединения
T-образный
Размер CH1
14
Размер CH2
19
Размер L1 (мм)
22
Размер L2 (мм)
15
Резьба ТС 1
M
Резьба ТС 2
M
Серия
L
Стандарт трубных соединений
Соединения 24° DIN 2353
Тип трубного соединения
проходной/адаптер
Размер L3
29
Размер резьбы 1
16x1.5
Размер L4
30
Размер CH3
19
D трубы M2 D2
10
Размер резьбы 2
16x1.5
Все характеристики
Отзывы
Отзывов еще никто не оставлял
