Описание
Характеристики
Отзывы
Описание
Если Вы хотите заказать изделие из нержавеющей стали, замените первые две цифры артикула с 60... на 61...
Характеристики
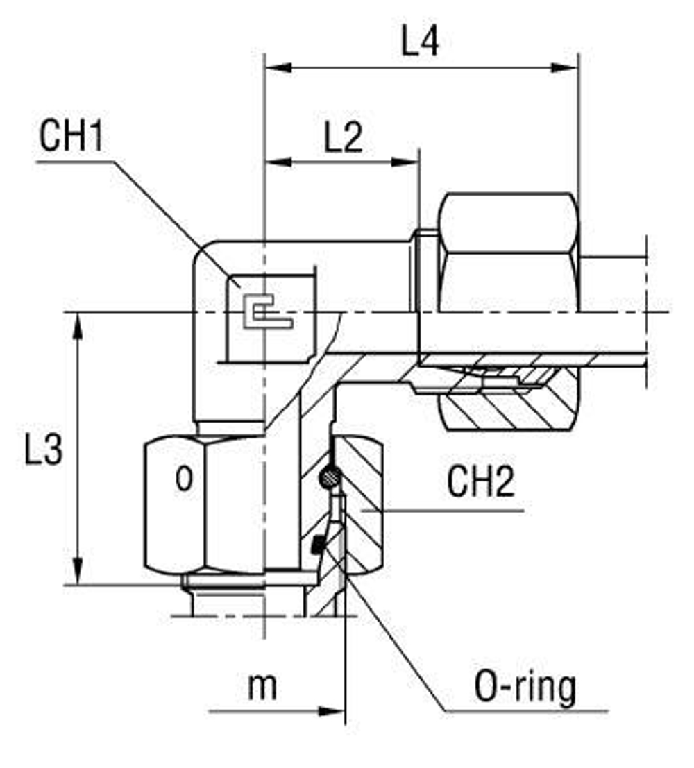
| Артикул | Бренд | CH1 | CH2 | CH3 | L1 (мм) | L2 (мм) | L3 | L4 | Ø трубы D1 | Ø трубы D2 | WP (bar) | Исполнение трубного соединения | резьба m D1 | резьба m D2 | Резьба ТС 1 | Резьба ТС 2 | серия | Стандарт ТС | Тип трубного соединения |
| 604207 | CAST | 17 | 22 | 22 | 24 | 17 | 29,5 | 32 | 12 | 12 | 400 | 90 град. | 18x1.5 | 18x1.5 | M | M | L | Соединения 24° DIN 2353 | проходной/адаптер |
Характеристики
Бренд
CAST
D трубы M1 D1
12
WP (bar) рабочее давление
400
Исполнение трубного соединения
90 град.
Размер CH1
17
Размер CH2
22
Размер L1 (мм)
24
Размер L2 (мм)
17
Резьба ТС 1
M
Резьба ТС 2
M
Серия
L
Стандарт трубных соединений
Соединения 24° DIN 2353
Тип трубного соединения
проходной/адаптер
Размер L3
29,5
Размер резьбы 1
18x1.5
Размер L4
32
Размер CH3
22
D трубы M2 D2
12
Размер резьбы 2
18x1.5
Все характеристики
Отзывы
Отзывов еще никто не оставлял
