Описание
Характеристики
Отзывы
Описание
Если вы хотите заказать изделие из нержавеющей стали, замените первые две цифры артикула с 30.... на 31....
Характеристики
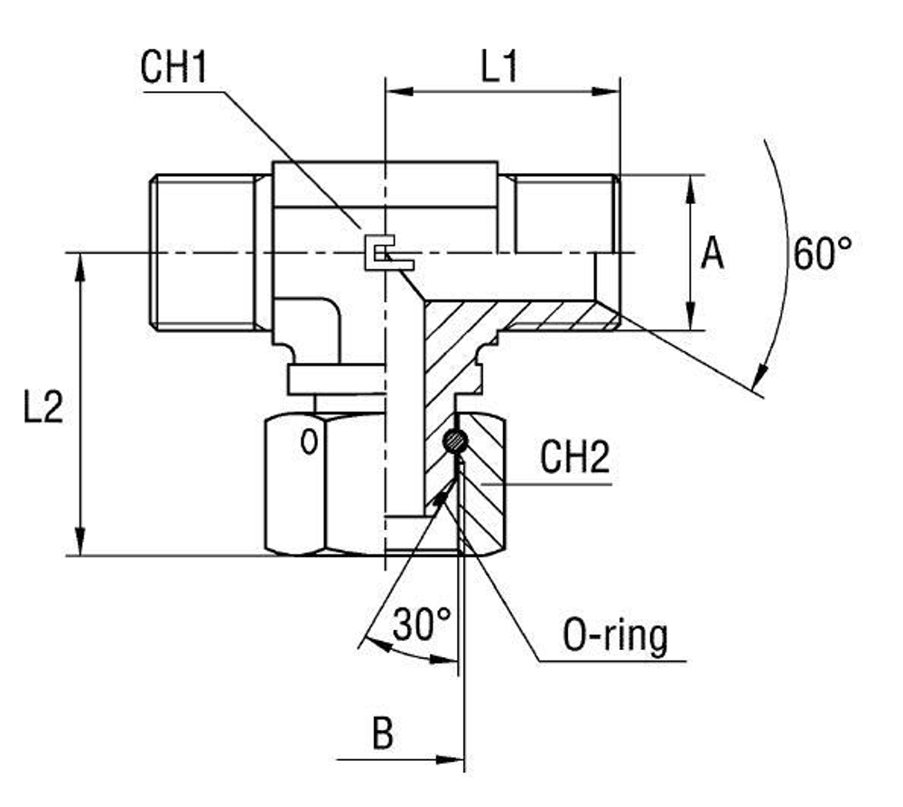
| Артикул | Бренд | B | CH1 | CH2 | L1 (мм) | L2 (мм) | WP (bar) | А | Исполнение трубного соединения | Резьба ТС 1 | Резьба ТС 2 | серия | Стандарт ТС | Тип трубного соединения |
| 306804 | CAST | 1/2 | 22 | 27 | 34 | 34 | 350 | 1/2 | T-образный | BSP | BSP | Универсальная | Соединения 60° BS-5200 | проходной/адаптер |
Характеристики
Бренд
CAST
WP (bar) рабочее давление
350
Исполнение трубного соединения
T-образный
Размер CH1
22
Размер CH2
27
Размер L1 (мм)
34
Размер L2 (мм)
34
Резьба ТС 1
BSP
Резьба ТС 2
BSP
Серия
Универсальная
Стандарт трубных соединений
Соединения 60° BS-5200
Тип трубного соединения
проходной/адаптер
Размер A БРС Текст
1/2
Размер B
1/2
Все характеристики
Отзывы
Отзывов еще никто не оставлял
