Описание
Характеристики
Отзывы
Описание
Если Вы хотите заказать изделие из нержавеющей стали, замените первые две цифры артикула с 30.... на 31....
Характеристики
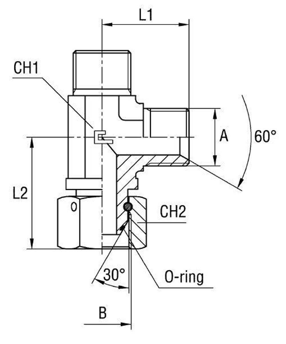
| Артикул | Бренд | A +0,13 -0,00 | B | CH1 | CH2 | L1 (мм) | L2 (мм) | WP (bar) | Исполнение трубного соединения | Резьба ТС 1 | Резьба ТС 2 | серия | Стандарт ТС | Тип трубного соединения |
| 306602 | CAST | 1/4 | 1/4 | 14 | 19 | 26 | 33 | 400 | L-образный | BSP | BSP | Универсальная | Соединения 60° BS-5200 | проходной/адаптер |
Характеристики
Бренд
CAST
WP (bar) рабочее давление
400
Исполнение трубного соединения
L-образный
Размер CH1
14
Размер CH2
19
Размер L1 (мм)
26
Размер L2 (мм)
33
Резьба ТС 1
BSP
Резьба ТС 2
BSP
Серия
Универсальная
Стандарт трубных соединений
Соединения 60° BS-5200
Тип трубного соединения
проходной/адаптер
Размер B
1/4
USIT Размер A +0,13 -0,00
1/4
Все характеристики
Отзывы
Отзывов еще никто не оставлял
