Описание
Характеристики
Отзывы
Описание
Если Вы хотите заказать изделие из нержавеющей стали, замените первые две цифры артикула с 30.... на 31....
Позиция доступна только по запросу.
Для уплотнительных систем с омедненной прокладкой обратитесь к нормам давления по позициям 3001...
Позиция доступна только по запросу.
Для уплотнительных систем с омедненной прокладкой обратитесь к нормам давления по позициям 3001...
Характеристики
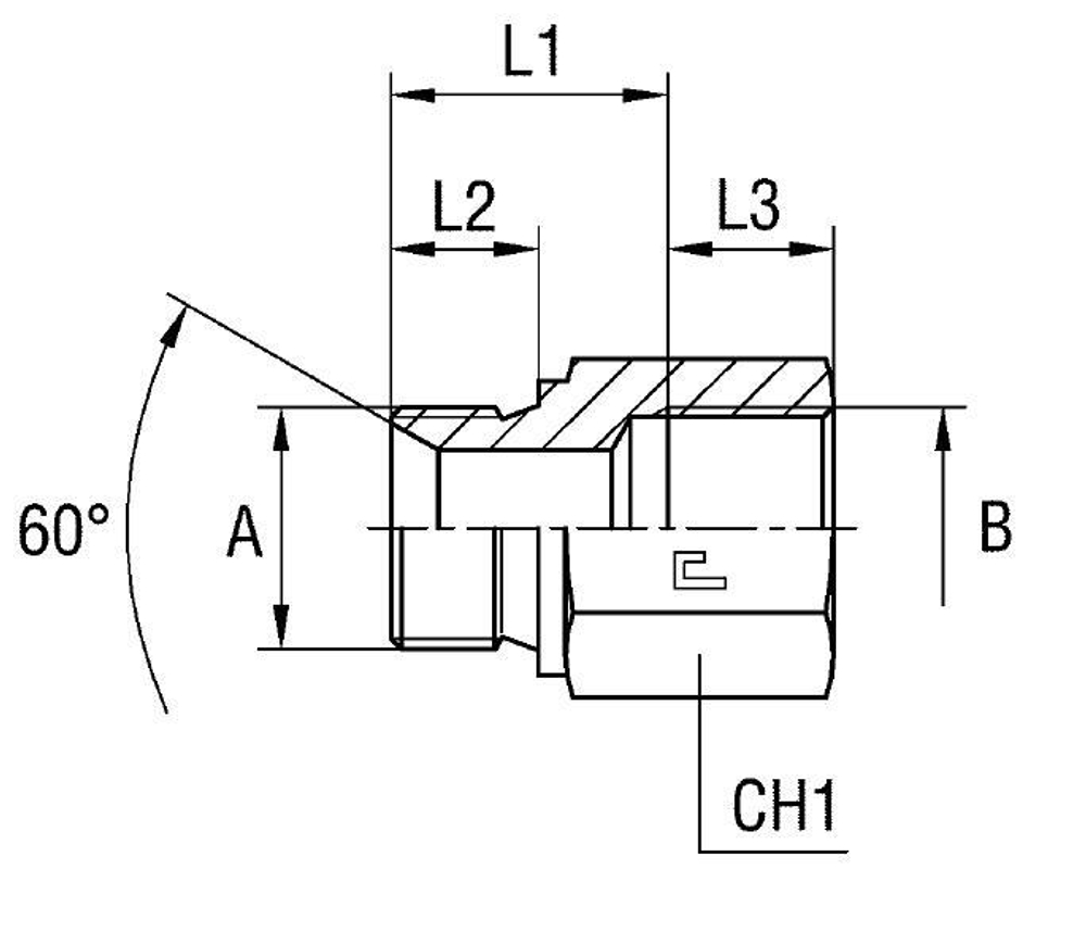
| Артикул | Бренд | A +0,13 -0,00 | B | CH1 | L1 (мм) | L2 (мм) | L3 | WP (bar) | Исполнение трубного соединения | Резьба ТС 1 | Резьба ТС 2 | серия | Стандарт ТС | Тип трубного соединения | Часть |
| 300907 | CAST | 16x1,5 | 16x1,5 | 22 | 23 | 12 | 14,5 | 350 | прямой | M | M | UNIVERSALE | Соединения 60° BS-5200 | проходной/адаптер | Изделия из углеродистой стали |
Характеристики
Бренд
CAST
WP (bar) рабочее давление
350
Исполнение трубного соединения
прямой
Размер CH1
22
Размер L1 (мм)
23
Размер L2 (мм)
12
Резьба ТС 1
M
Резьба ТС 2
M
Серия
UNIVERSALE
Стандарт трубных соединений
Соединения 60° BS-5200
Тип трубного соединения
проходной/адаптер
Размер L3
14,5
Порядковый номер таблицы
Изделия из углеродистой стали
Размер B
16x1,5
USIT Размер A +0,13 -0,00
16x1,5
Все характеристики
Отзывы
Отзывов еще никто не оставлял
