Описание
Характеристики
Отзывы
Описание
Если Вы хотите заказать фитинг из нержавеющей стали AISI 316, замените первые две цифры артикула с 10.... на 11....
Если Вы хотите заказать фитинг из нержавеющей стали AISI 316 с гайкой из нержавеющей стали AISI 304, замените первые две цифры артикула с 10.... на 14....
Позиция, не соответствует норме ISO 8434-1, доступна только в плановых заказах.
Если Вы хотите заказать фитинг из нержавеющей стали AISI 316 с гайкой из нержавеющей стали AISI 304, замените первые две цифры артикула с 10.... на 14....
Позиция, не соответствует норме ISO 8434-1, доступна только в плановых заказах.
Характеристики
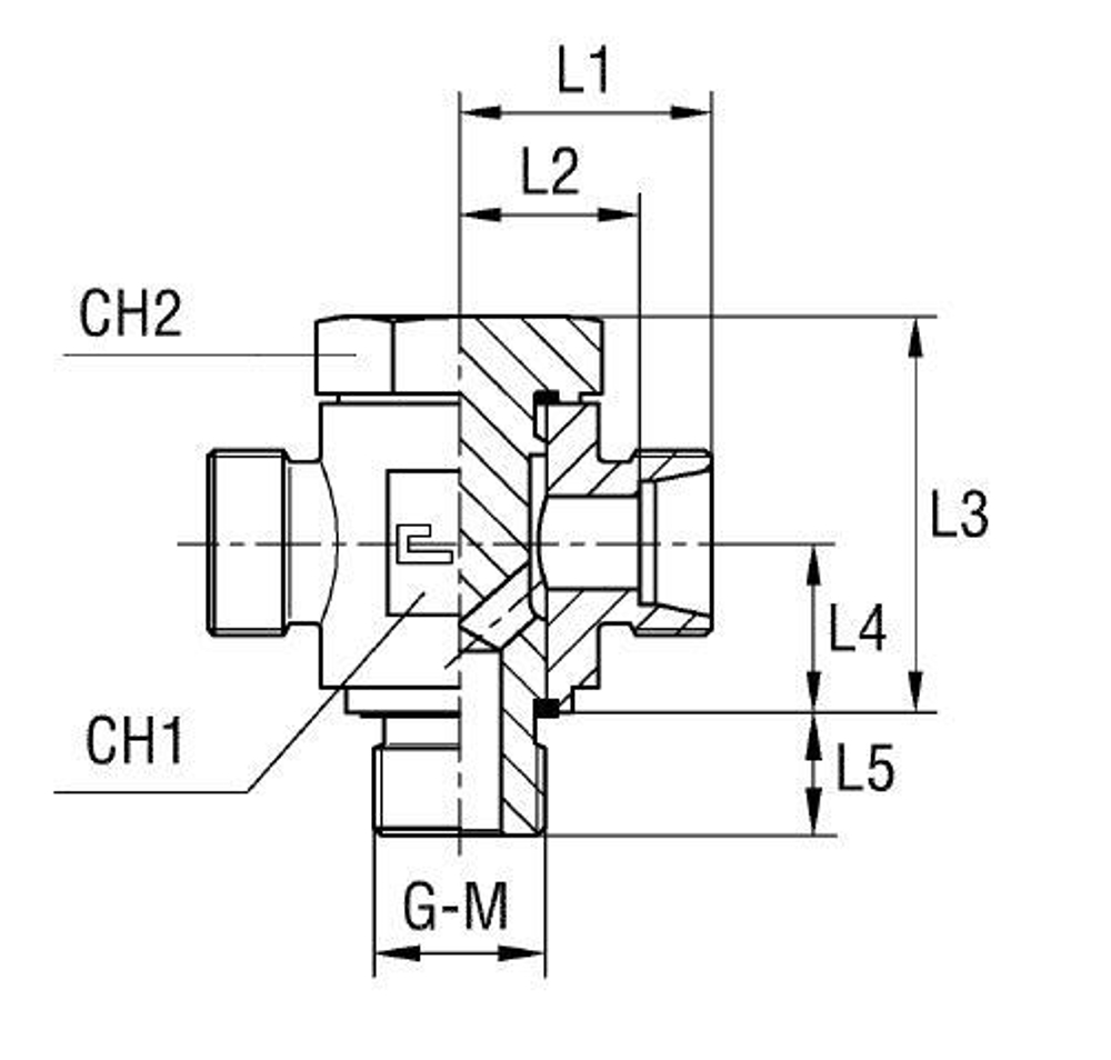
| Артикул | Бренд | CH1 | CH2 | CH3 | L1 (мм) | L2 (мм) | L3 | L4 | L5 | L6 | Ø трубы D1 | WP (bar) | Исполнение трубного соединения | резьба G | Резьба ТС 1 | Резьба ТС 2 | серия | Стандарт ТС | Тип трубного соединения |
| 101520.1 | CAST | 41 | 36 | 36 | 36 | 25,5 | 54 | 24 | 16 | 47 | 20 | 250 | T-образный | 3/4 | M | BSP | S | Соединения 24° DIN 2353 | banjo |
Характеристики
Бренд
CAST
D трубы M1 D1
20
WP (bar) рабочее давление
250
Исполнение трубного соединения
T-образный
Размер CH1
41
Размер CH2
36
Размер L1 (мм)
36
Размер L2 (мм)
25,5
Размер резьбы 5
3/4
Резьба ТС 1
M
Резьба ТС 2
BSP
Серия
S
Стандарт трубных соединений
Соединения 24° DIN 2353
Тип трубного соединения
banjo
Размер L3
54
Размер L4
24
Размер CH3
36
Размер L5
16
Размер L6
47
Все характеристики
Отзывы
Отзывов еще никто не оставлял
