Описание
Характеристики
Отзывы
Описание
Если Вы хотите заказать фитинг из нержавеющей стали AISI 316, замените первые две цифры артикула с 10.... на 11....
Если Вы хотите заказать фитинг из нержавеющей стали AISI 316 с гайкой из нержавеющей стали AISI 304, замените первые две цифры артикула с 10.... на 14....
Позиция, не соответствует норме ISO 8434-1, доступна только в плановых заказах.
Если Вы хотите заказать фитинг из нержавеющей стали AISI 316 с гайкой из нержавеющей стали AISI 304, замените первые две цифры артикула с 10.... на 14....
Позиция, не соответствует норме ISO 8434-1, доступна только в плановых заказах.
Характеристики
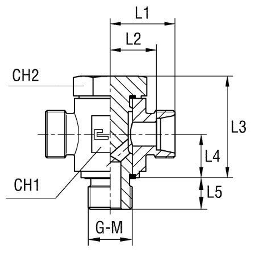
| Артикул | Бренд | CH1 | CH2 | CH3 | L1 (мм) | L2 (мм) | L3 | L4 | L5 | L6 | Ø трубы D1 | WP (bar) | Исполнение трубного соединения | резьба M | Резьба ТС 1 | Резьба ТС 2 | серия | Стандарт ТС | Тип трубного соединения |
| 101609.1 | CAST | 32 | 30 | 32 | 29 | 21,5 | 46,5 | 21,5 | 14 | 38 | 18 | 315 | T-образный | 22x1.5 | M | M | L | Соединения 24° DIN 2353 | banjo |
Характеристики
Бренд
CAST
D трубы M1 D1
18
WP (bar) рабочее давление
315
Исполнение трубного соединения
T-образный
Размер CH1
32
Размер CH2
30
Размер L1 (мм)
29
Размер L2 (мм)
21,5
Резьба ТС 1
M
Резьба ТС 2
M
Серия
L
Стандарт трубных соединений
Соединения 24° DIN 2353
Тип трубного соединения
banjo
Размер резьбы 12
22x1.5
Размер L3
46,5
Размер L4
21,5
Размер CH3
32
Размер L5
14
Размер L6
38
Все характеристики
Отзывы
Отзывов еще никто не оставлял
