Описание
Характеристики
Отзывы
Описание
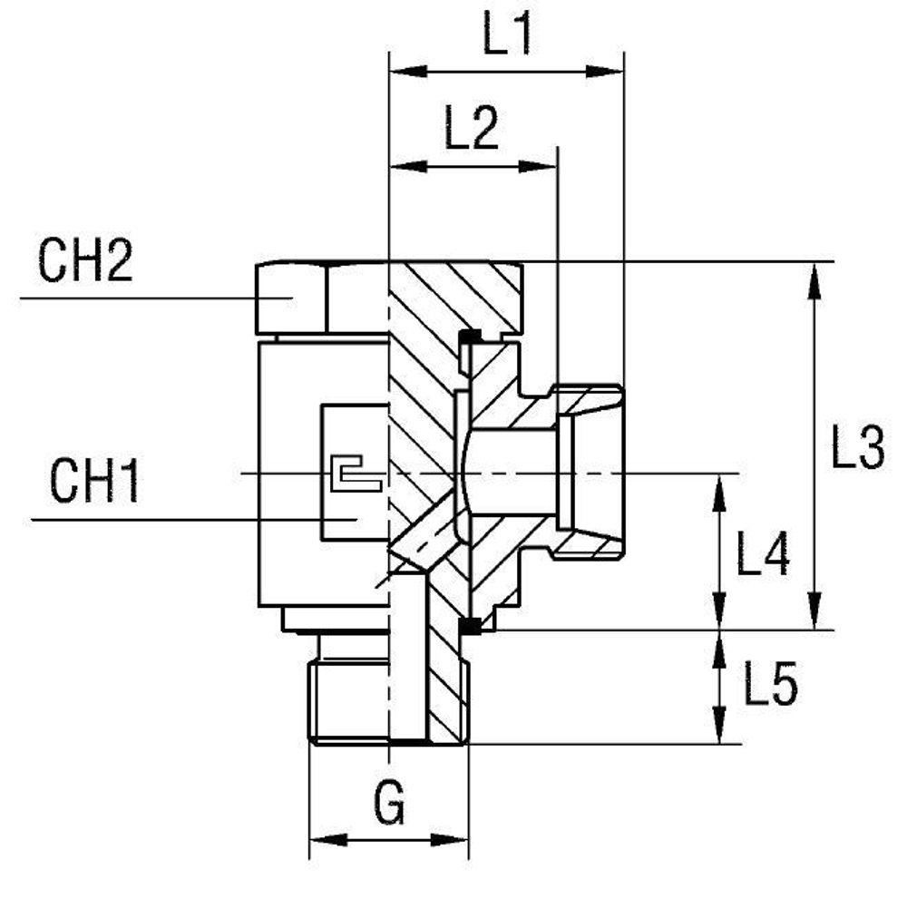
Если Вы хотите заказать фитинг из нержавеющей стали AISI 316, замените первые две цифры артикула с 10.... на 11....
Если Вы хотите заказать фитинг из нержавеющей стали AISI 316 с гайкой из нержавеющей стали AISI 304, замените первые две цифры артикула с 10.... на 14....
Вид Х - резиновое уплотнение. Вид Y - металлическое уплотнение.
Если Вы хотите заказать фитинг из нержавеющей стали AISI 316 с гайкой из нержавеющей стали AISI 304, замените первые две цифры артикула с 10.... на 14....
Вид Х - резиновое уплотнение. Вид Y - металлическое уплотнение.
Характеристики
| Артикул | Бренд | CH1 | CH2 | CH3 | L1 (мм) | L2 (мм) | L3 | L4 | L5 | L6 | Ø трубы D1 | WP (bar) | Вид | Исполнение трубного соединения | резьба G | Резьба ТС 1 | Резьба ТС 2 | серия | Стандарт ТС | Тип трубного соединения |
| 101321.1 | CAST | 50 | 46 | 46 | 42,5 | 30,5 | 66,5 | 30,5 | 18 | 54,5 | 25 | 250 | X | 90 град. | 1 | M | BSP | S | Соединения 24° DIN 2353 | banjo |
Характеристики
Бренд
CAST
D трубы M1 D1
25
WP (bar) рабочее давление
250
Исполнение трубного соединения
90 град.
Размер CH1
50
Размер CH2
46
Размер L1 (мм)
42,5
Размер L2 (мм)
30,5
Размер резьбы 5
1
Резьба ТС 1
M
Резьба ТС 2
BSP
Серия
S
Стандарт трубных соединений
Соединения 24° DIN 2353
Тип трубного соединения
banjo
Размер L3
66,5
Вид
X
Размер L4
30,5
Размер CH3
46
Размер L5
18
Размер L6
54,5
Все характеристики
Отзывы
Отзывов еще никто не оставлял
