Описание
Характеристики
Отзывы
Описание
Если Вы хотите заказать фитинг из нержавеющей стали AISI 316, замените первые две цифры артикула с 10.... на 11....
Если Вы хотите заказать фитинг из нержавеющей стали AISI 316 с гайкой из нержавеющей стали AISI 304, замените первые две цифры артикула с 10.... на 14....
Характеристики
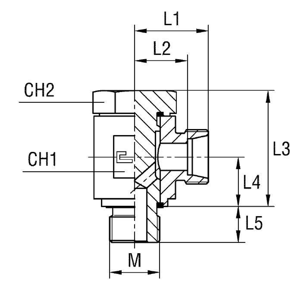
| Артикул | Бренд | CH1 | CH2 | CH3 | L1 (мм) | L2 (мм) | L3 | L4 | L5 | L6 | Ø трубы D1 | WP (bar) | Вид | Исполнение трубного соединения | резьба M | Резьба ТС 1 | Резьба ТС 2 | серия | Стандарт ТС | Тип трубного соединения |
| 101407.1 | CAST | 27 | 24 | 22 | 25 | 18 | 38,5 | 16,5 | 12 | 33 | 12 | 315 | X | 90 град. | 16x1.5 | M | M | L | Соединения 24° DIN 2353 | banjo |
Характеристики
Бренд
CAST
D трубы M1 D1
12
WP (bar) рабочее давление
315
Исполнение трубного соединения
90 град.
Размер CH1
27
Размер CH2
24
Размер L1 (мм)
25
Размер L2 (мм)
18
Резьба ТС 1
M
Резьба ТС 2
M
Серия
L
Стандарт трубных соединений
Соединения 24° DIN 2353
Тип трубного соединения
banjo
Размер резьбы 12
16x1.5
Размер L3
38,5
Вид
X
Размер L4
16,5
Размер CH3
22
Размер L5
12
Размер L6
33
Все характеристики
Отзывы
Отзывов еще никто не оставлял
