Описание
Характеристики
Отзывы
Описание
Если Вы хотите заказать фитинг из нержавеющей стали AISI 316, замените первые две цифры артикула с 10.... на 11....
Если Вы хотите заказать фитинг из нержавеющей стали AISI 316 с гайкой из нержавеющей стали AISI 304, замените первые две цифры артикула с 10.... на 14....
Позиция не соответствует норме ISO 8434-1.
Если Вы хотите заказать фитинг из нержавеющей стали AISI 316 с гайкой из нержавеющей стали AISI 304, замените первые две цифры артикула с 10.... на 14....
Позиция не соответствует норме ISO 8434-1.
Характеристики
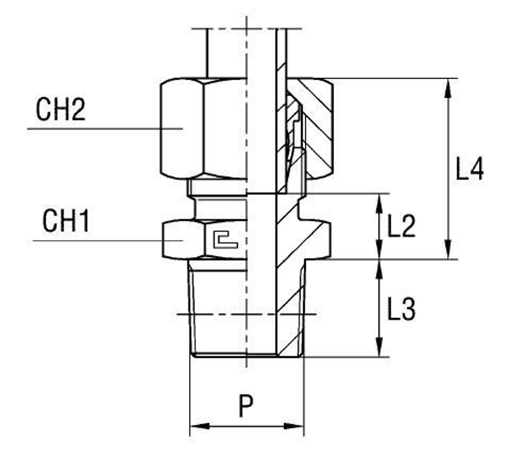
| Артикул | Бренд | CH1 | CH2 | L1 (мм) | L2 (мм) | L3 | L4 | Ø трубы D1 | WP (bar) | Исполнение трубного соединения | резьба P | Резьба ТС 1 | Резьба ТС 2 | серия | Стандарт ТС | Тип трубного соединения |
| 101837 | CAST | 27 | 30 | 24 | 15,5 | 15 | 34 | 16 | 400 | прямой | 3/8 | M | NPT | S | Соединения 24° DIN 2353 | ввертной |
Характеристики
Бренд
CAST
D трубы M1 D1
16
WP (bar) рабочее давление
400
Исполнение трубного соединения
прямой
Размер CH1
27
Размер CH2
30
Размер L1 (мм)
24
Размер L2 (мм)
15,5
Резьба ТС 1
M
Резьба ТС 2
NPT
Серия
S
Стандарт трубных соединений
Соединения 24° DIN 2353
Тип трубного соединения
ввертной
Размер L3
15
Размер L4
34
Размер резьбы 7
3/8
Все характеристики
Отзывы
Отзывов еще никто не оставлял
