Описание
Характеристики
Отзывы
Описание
Если Вы хотите заказать изделие из нержавеющей стали, замените первые две цифры артикула с 20.... на 21....
Позиция доступна только по запросу.
Позиция доступна только по запросу.
Характеристики
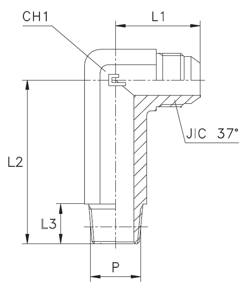
| Артикул | Бренд | CH1 | L1 (мм) | L2 (мм) | L3 | Ø трубы D1 | Ø трубы W | WP (bar) | Исполнение трубного соединения | резьба JIC 37° A | резьба P | Резьба ТС 1 | Резьба ТС 2 | серия | Стандарт ТС | Тип трубного соединения | Часть |
| 206803.3 | CAST | 14 | 27,5 | 52,5 | 14,5 | 10 | 3/8 | 350 | 90 град. | 9/16-18 | 1/4 | UNF | NPTF | Универсальная | Соединения 37° SAE J514 | ввертной | Изделия из углеродистой стали |
Характеристики
Бренд
CAST
D трубы M1 D1
10
D трубы W
3/8
WP (bar) рабочее давление
350
Исполнение трубного соединения
90 град.
Размер CH1
14
Размер L1 (мм)
27,5
Размер L2 (мм)
52,5
Резьба ТС 1
UNF
Резьба ТС 2
NPTF
Серия
Универсальная
Стандарт трубных соединений
Соединения 37° SAE J514
Тип трубного соединения
ввертной
Размер резьбы 9
9/16-18
Размер L3
14,5
Порядковый номер таблицы
Изделия из углеродистой стали
Размер резьбы 7
1/4
Все характеристики
Отзывы
Отзывов еще никто не оставлял
