Описание
Характеристики
Отзывы
Описание
Если Вы хотите заказать изделие из нержавеющей стали, замените первые две цифры артикула с 20.... на 21....
Характеристики
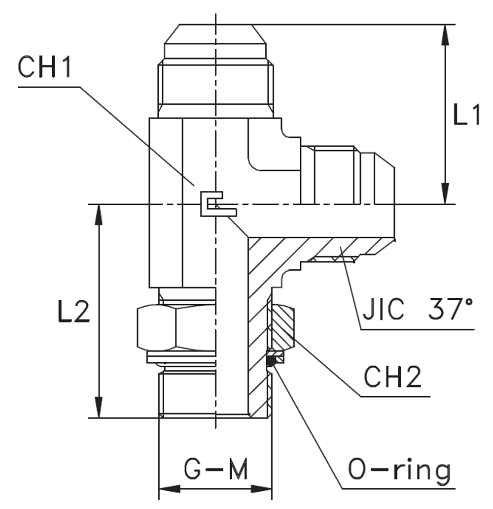
| Артикул | Бренд | CH1 | CH2 | L1 (мм) | L2 (мм) | Ø трубы D1 | Ø трубы W | WP (bar) | Исполнение трубного соединения | резьба G | резьба JIC 37° A | Резьба ТС 1 | Резьба ТС 2 | серия | Стандарт ТС | Тип трубного соединения | Часть |
| 205011.3 | CAST | 19 | 22 | 29 | 37 | 6 | 1/4 | 250 | L-образный | 3/8 | 7/16-20 | UNF | BSP | UNIVERSALE | Соединения 37° SAE J514 | ввертной | Изделия из углеродистой стали |
Характеристики
Бренд
CAST
D трубы M1 D1
6
D трубы W
1/4
WP (bar) рабочее давление
250
Исполнение трубного соединения
L-образный
Размер CH1
19
Размер CH2
22
Размер L1 (мм)
29
Размер L2 (мм)
37
Размер резьбы 5
3/8
Резьба ТС 1
UNF
Резьба ТС 2
BSP
Серия
UNIVERSALE
Стандарт трубных соединений
Соединения 37° SAE J514
Тип трубного соединения
ввертной
Размер резьбы 9
7/16-20
Порядковый номер таблицы
Изделия из углеродистой стали
Все характеристики
Отзывы
Отзывов еще никто не оставлял
