Описание
Характеристики
Отзывы
Описание
Если Вы хотите заказать изделие из нержавеющей стали, замените первые две цифры артикула с 20.... на 21....
Характеристики
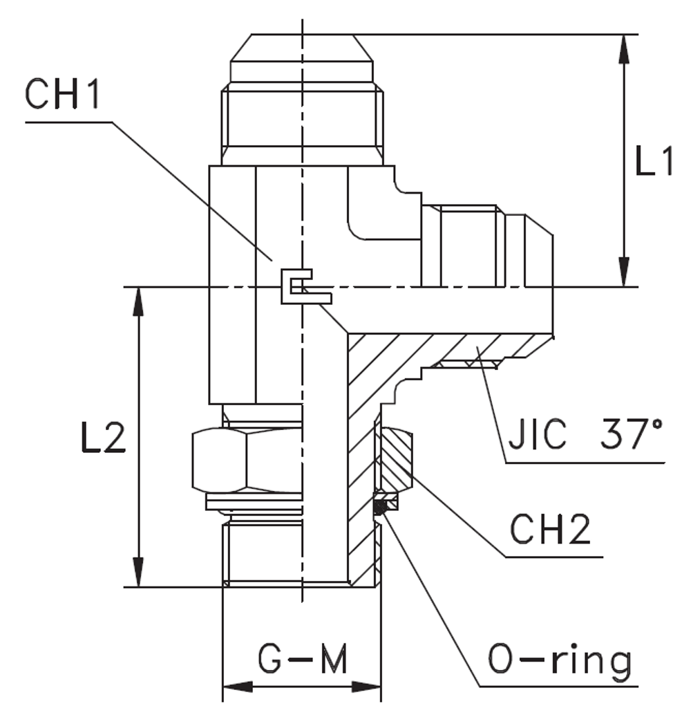
| Артикул | Бренд | CH1 | CH2 | L1 (мм) | L2 (мм) | Ø трубы D1 | Ø трубы W | WP (bar) | Исполнение трубного соединения | резьба JIC 37° A | резьба M | Резьба ТС 1 | Резьба ТС 2 | серия | Стандарт ТС | Тип трубного соединения | Часть |
| 205110.3 | CAST | 14 | 17 | 24 | 31 | 6 | 1/4 | 315 | L-образный | 7/16-20 | 12x1,5 | UNF | M | UNIVERSALE | Соединения 90° SAE-J1453 | ввертной | Изделия из углеродистой стали |
Характеристики
Бренд
CAST
D трубы M1 D1
6
D трубы W
1/4
WP (bar) рабочее давление
315
Исполнение трубного соединения
L-образный
Размер CH1
14
Размер CH2
17
Размер L1 (мм)
24
Размер L2 (мм)
31
Резьба ТС 1
UNF
Резьба ТС 2
M
Серия
UNIVERSALE
Стандарт трубных соединений
Соединения 90° SAE-J1453
Тип трубного соединения
ввертной
Размер резьбы 9
7/16-20
Размер резьбы 12
12x1,5
Порядковый номер таблицы
Изделия из углеродистой стали
Все характеристики
Отзывы
Отзывов еще никто не оставлял
