Описание
Характеристики
Отзывы
Описание
Если Вы хотите заказать изделие из нержавеющей стали, замените первые две цифры артикула с 20.... на 21....
Характеристики
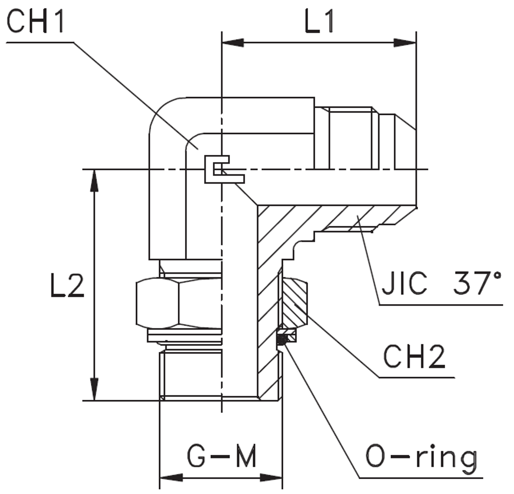
| Артикул | Бренд | CH1 | CH2 | L1 (мм) | L2 (мм) | Ø трубы D1 | Ø трубы W | WP (bar) | Исполнение трубного соединения | резьба G | резьба JIC 37° A | Резьба ТС 1 | Резьба ТС 2 | серия | Стандарт ТС | Тип трубного соединения |
| 204427.3 | CAST | 48 | 50 | 59 | 60 | 38 | 1 1/2 | 200 | 90 град. | 1 1/4 | 1 7/8-12 | UNF | BSP | Универсальная | Соединения 37° SAE J514 | ввертной |
Характеристики
Бренд
CAST
D трубы M1 D1
38
D трубы W
1 1/2
WP (bar) рабочее давление
200
Исполнение трубного соединения
90 град.
Размер CH1
48
Размер CH2
50
Размер L1 (мм)
59
Размер L2 (мм)
60
Размер резьбы 5
1 1/4
Резьба ТС 1
UNF
Резьба ТС 2
BSP
Серия
Универсальная
Стандарт трубных соединений
Соединения 37° SAE J514
Тип трубного соединения
ввертной
Размер резьбы 9
1 7/8-12
Все характеристики
Отзывы
Отзывов еще никто не оставлял
