Описание
Характеристики
Отзывы
Описание
Если Вы хотите заказать фитинг из нержавеющей стали AISI 316, замените первые две цифры артикула с 10.... на 11....
Если Вы хотите заказать фитинг из нержавеющей стали AISI 316 с гайкой из нержавеющей стали AISI 304, замените первые две цифры артикула с 10.... на 14....
Позиция не соответствует норме ISO 8434-1, доступна только по запросу.
Если Вы хотите заказать фитинг из нержавеющей стали AISI 316 с гайкой из нержавеющей стали AISI 304, замените первые две цифры артикула с 10.... на 14....
Позиция не соответствует норме ISO 8434-1, доступна только по запросу.
Характеристики
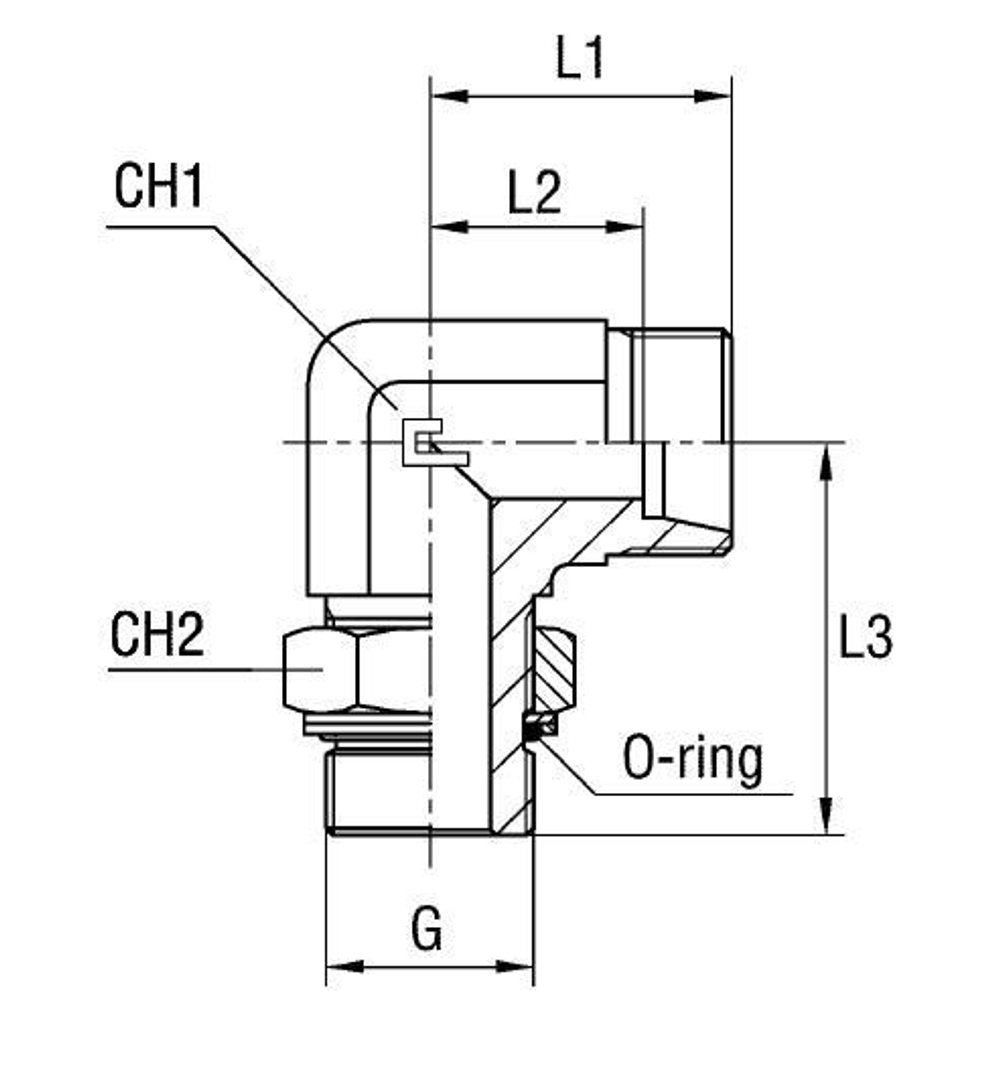
| Артикул | Бренд | CH1 | CH2 | CH3 | L1 (мм) | L2 (мм) | L3 | L4 | Ø трубы D1 | WP (bar) | Исполнение трубного соединения | резьба G | Резьба ТС 1 | Резьба ТС 2 | серия | Стандарт ТС | Тип трубного соединения |
| 106118.1 | CAST | 22 | 27 | 27 | 30 | 22 | 44 | 40 | 14 | 250 | 90 град. | 1/2 | M | BSP | S | Соединения 24° DIN 2353 | ввертной |
Характеристики
Бренд
CAST
D трубы M1 D1
14
WP (bar) рабочее давление
250
Исполнение трубного соединения
90 град.
Размер CH1
22
Размер CH2
27
Размер L1 (мм)
30
Размер L2 (мм)
22
Размер резьбы 5
1/2
Резьба ТС 1
M
Резьба ТС 2
BSP
Серия
S
Стандарт трубных соединений
Соединения 24° DIN 2353
Тип трубного соединения
ввертной
Размер L3
44
Размер L4
40
Размер CH3
27
Все характеристики
Отзывы
Отзывов еще никто не оставлял
