Описание
Характеристики
Отзывы
Описание
Если Вы хотите заказать изделие из нержавеющей стали, замените первые две цифры артикула с 30.... на 31....
Характеристики
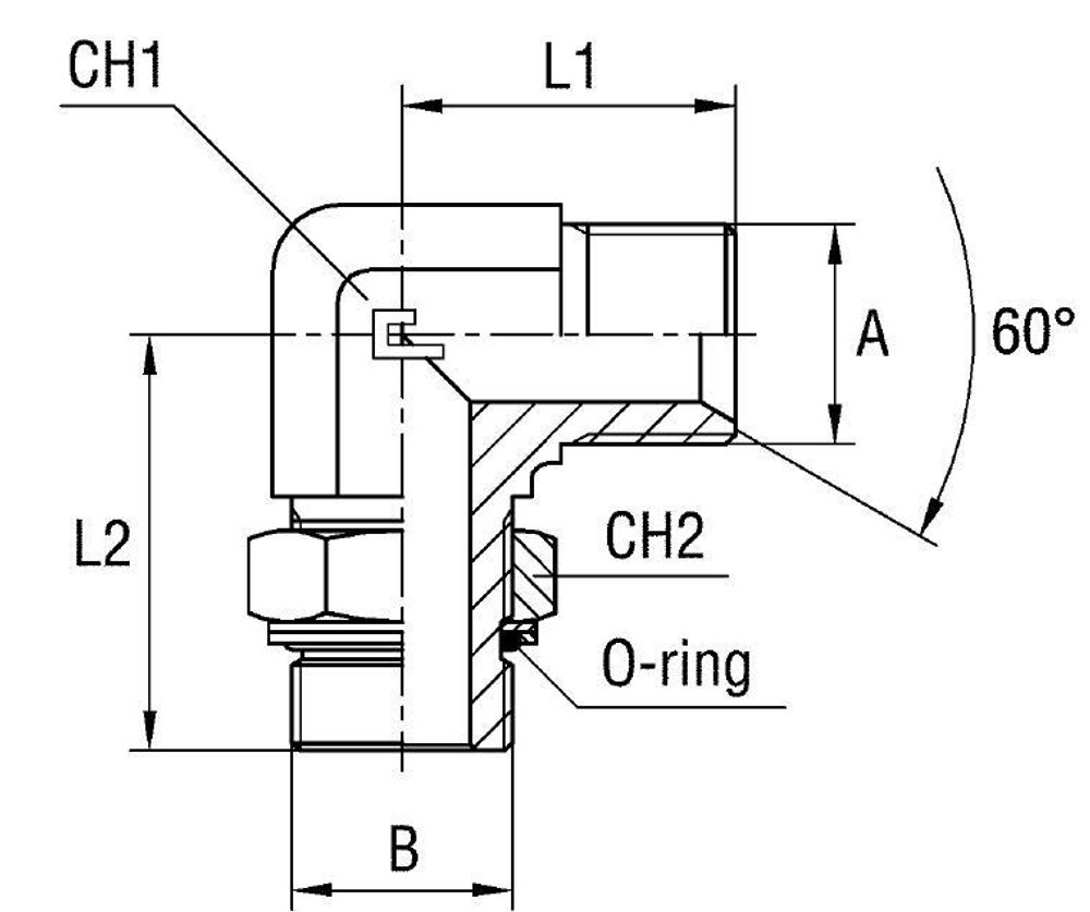
| Артикул | Бренд | A +0,13 -0,00 | B | CH1 | CH2 | L1 (мм) | L2 (мм) | WP (bar) | Исполнение трубного соединения | Резьба ТС 1 | Резьба ТС 2 | серия | Стандарт ТС | Тип трубного соединения |
| 305405 | CAST | 3/8 | 3/8 | 19 | 22 | 29 | 37 | 250 | 90 град. | BSP | BSP | Универсальная | Соединения 60° BS-5200 | ввертной |
Характеристики
Бренд
CAST
WP (bar) рабочее давление
250
Исполнение трубного соединения
90 град.
Размер CH1
19
Размер CH2
22
Размер L1 (мм)
29
Размер L2 (мм)
37
Резьба ТС 1
BSP
Резьба ТС 2
BSP
Серия
Универсальная
Стандарт трубных соединений
Соединения 60° BS-5200
Тип трубного соединения
ввертной
Размер B
3/8
USIT Размер A +0,13 -0,00
3/8
Все характеристики
Отзывы
Отзывов еще никто не оставлял
