Описание
Характеристики
Отзывы
Описание
Если Вы хотите заказать изделие из нержавеющей стали, замените первые две цифры артикула с 20.... на 21....
Позиция доступна только в плановых заказах.
Позиция доступна только в плановых заказах.
Характеристики
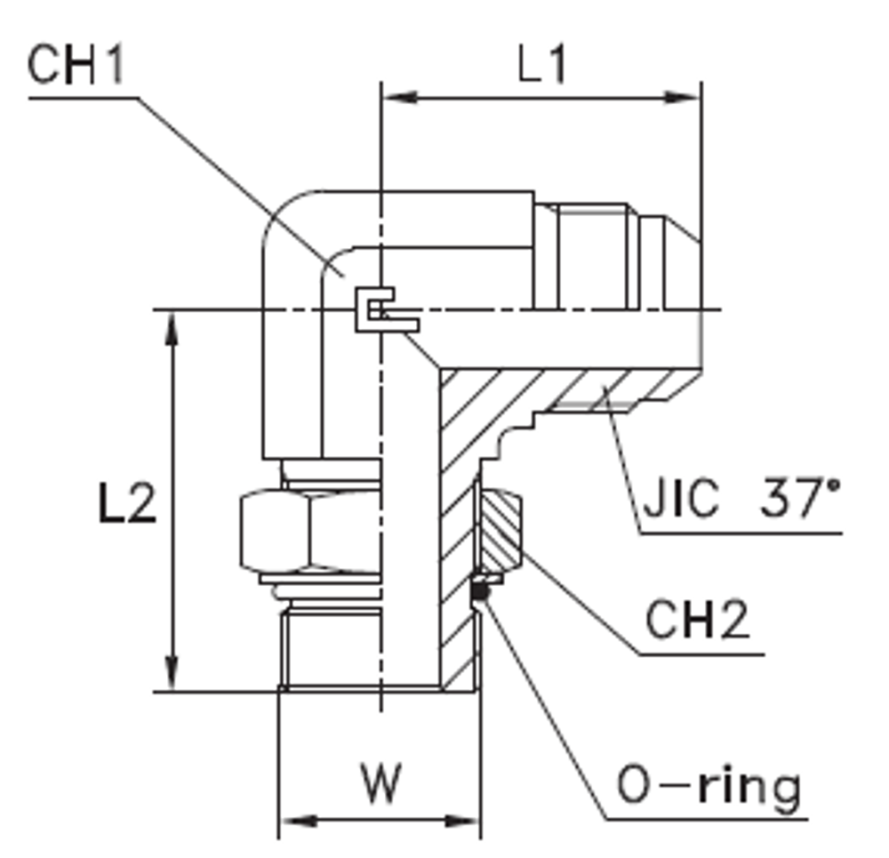
| Артикул | Бренд | CH1 | CH2 | L1 (мм) | L2 (мм) | Ø трубы D1 | Ø трубы W | WP (bar) | Исполнение трубного соединения | резьба JIC 37° A | резьба W | Резьба ТС 1 | Резьба ТС 2 | серия | Стандарт ТС | Тип трубного соединения |
| 204621.3 | CAST | 27 | 32 | 39 | 49,5 | 14-15-16 | 5/8 | 350 | 90 град. | 7/8-14 | 11/16-12 | UNF | UNF | Универсальная | Соединения 37° SAE J514 | ввертной |
Характеристики
Бренд
CAST
D трубы M1 D1
14-15-16
D трубы W
5/8
WP (bar) рабочее давление
350
Исполнение трубного соединения
90 град.
Размер CH1
27
Размер CH2
32
Размер L1 (мм)
39
Размер L2 (мм)
49,5
Резьба ТС 1
UNF
Резьба ТС 2
UNF
Серия
Универсальная
Стандарт трубных соединений
Соединения 37° SAE J514
Тип трубного соединения
ввертной
Размер резьбы 9
7/8-14
Размер резьбы 6
11/16-12
Все характеристики
Отзывы
Отзывов еще никто не оставлял
