Описание
Характеристики
Отзывы
Описание
Если Вы хотите заказать изделие из нержавеющей стали, замените первые две цифры артикула с 20.... на 21....
Позиция доступна только в плановых заказах.
Позиция доступна только в плановых заказах.
Характеристики
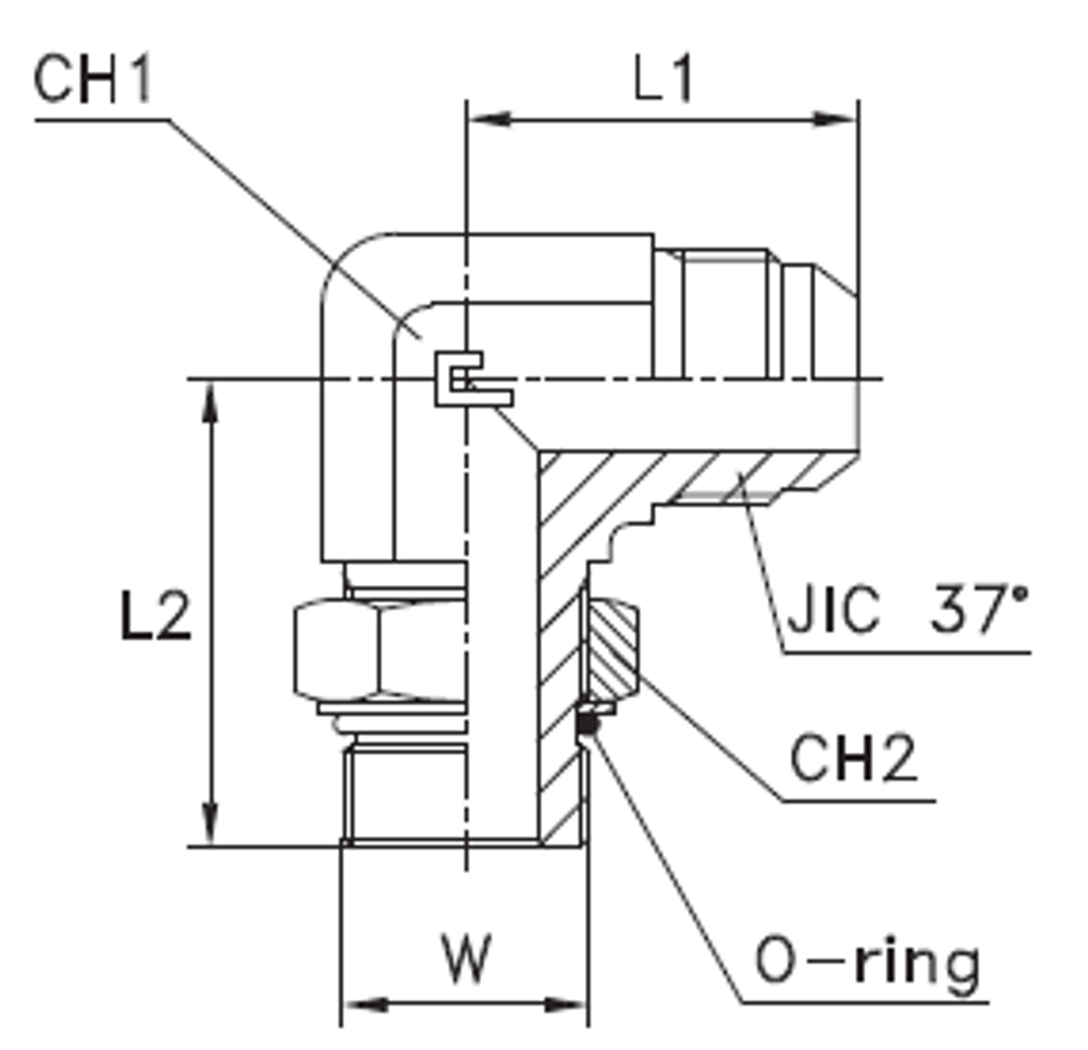
| Артикул | Бренд | CH1 | CH2 | L1 (мм) | L2 (мм) | Ø трубы D1 | Ø трубы W | WP (bar) | Исполнение трубного соединения | резьба JIC 37° A | резьба W | Резьба ТС 1 | Резьба ТС 2 | серия | Стандарт ТС | Тип трубного соединения |
| 204609.3 | CAST | 48 | 55 | 59 | 60 | 38 | 1.5 | 240 | 90 град. | 1 7/8-12 | 1 7/8-12 | UNF | UNF | Универсальная | Соединения 37° SAE J514 | ввертной |
Характеристики
Бренд
CAST
D трубы M1 D1
38
D трубы W
1.5
WP (bar) рабочее давление
240
Исполнение трубного соединения
90 град.
Размер CH1
48
Размер CH2
55
Размер L1 (мм)
59
Размер L2 (мм)
60
Резьба ТС 1
UNF
Резьба ТС 2
UNF
Серия
Универсальная
Стандарт трубных соединений
Соединения 37° SAE J514
Тип трубного соединения
ввертной
Размер резьбы 9
1 7/8-12
Размер резьбы 6
1 7/8-12
Все характеристики
Отзывы
Отзывов еще никто не оставлял
