Описание
Характеристики
Отзывы
Описание
Если Вы хотите заказать изделие из нержавеющей стали, замените первые две цифры артикула с 20.... на 21....
Позиция доступна только в плановых заказах.
Позиция доступна только в плановых заказах.
Характеристики
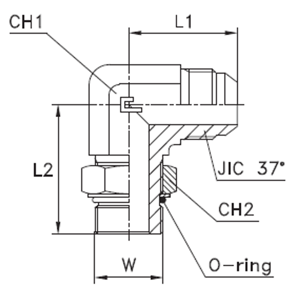
| Артикул | Бренд | CH1 | CH2 | L1 (мм) | L2 (мм) | Ø трубы D1 | Ø трубы W | WP (bar) | Исполнение трубного соединения | резьба JIC 37° A | резьба W | Резьба ТС 1 | Резьба ТС 2 | серия | Стандарт ТС | Тип трубного соединения |
| 204612.3 | CAST | 14 | 17 | 24 | 32 | 8 | 5/16 | 350 | 90 град. | 1/2-20 | 9/16-18 | UNF | UNF | Универсальная | Соединения 37° SAE J514 | ввертной |
Характеристики
Бренд
CAST
D трубы M1 D1
8
D трубы W
5/16
WP (bar) рабочее давление
350
Исполнение трубного соединения
90 град.
Размер CH1
14
Размер CH2
17
Размер L1 (мм)
24
Размер L2 (мм)
32
Резьба ТС 1
UNF
Резьба ТС 2
UNF
Серия
Универсальная
Стандарт трубных соединений
Соединения 37° SAE J514
Тип трубного соединения
ввертной
Размер резьбы 9
1/2-20
Размер резьбы 6
9/16-18
Все характеристики
Отзывы
Отзывов еще никто не оставлял
