Описание
Характеристики
Отзывы
Описание
Если Вы хотите заказать изделие из нержавеющей стали, замените первые две цифры артикула с 60... на 61...
Характеристики
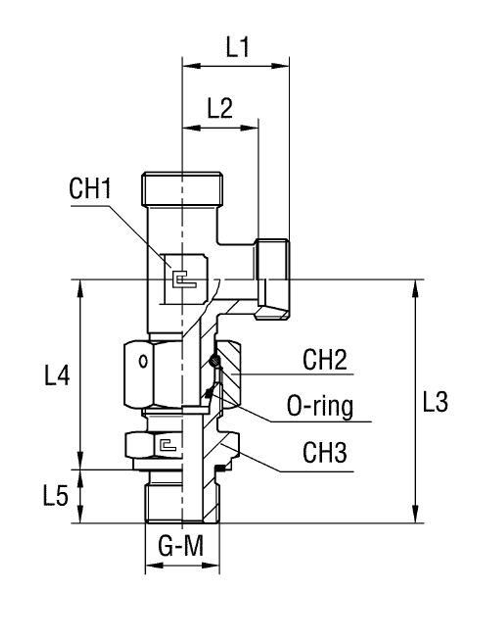
| Артикул | Бренд | CH1 | CH2 | CH3 | L1 (мм) | L2 (мм) | L3 | L4 | L5 | Ø трубы D1 | WP (bar) | Исполнение трубного соединения | резьба G | Резьба ТС 1 | Резьба ТС 2 | серия | Стандарт ТС | Тип трубного соединения | Часть |
| 604715.1 | CAST | 14 | 19 | 19 | 24 | 17 | 54,5 | 42,5 | 12 | 8 | 800 | L-образный | 1/4 | M | BSP | S | Соединения 24° DIN 2353 | ввертной | Изделия из углеродистой стали |
Характеристики
Бренд
CAST
D трубы M1 D1
8
WP (bar) рабочее давление
800
Исполнение трубного соединения
L-образный
Размер CH1
14
Размер CH2
19
Размер L1 (мм)
24
Размер L2 (мм)
17
Размер резьбы 5
1/4
Резьба ТС 1
M
Резьба ТС 2
BSP
Серия
S
Стандарт трубных соединений
Соединения 24° DIN 2353
Тип трубного соединения
ввертной
Размер L3
54,5
Порядковый номер таблицы
Изделия из углеродистой стали
Размер L4
42,5
Размер CH3
19
Размер L5
12
Все характеристики
Отзывы
Отзывов еще никто не оставлял
