Описание
Характеристики
Отзывы
Описание
Если Вы хотите заказать изделие из нержавеющей стали, замените первые две цифры артикула с 60... на 61...
Характеристики
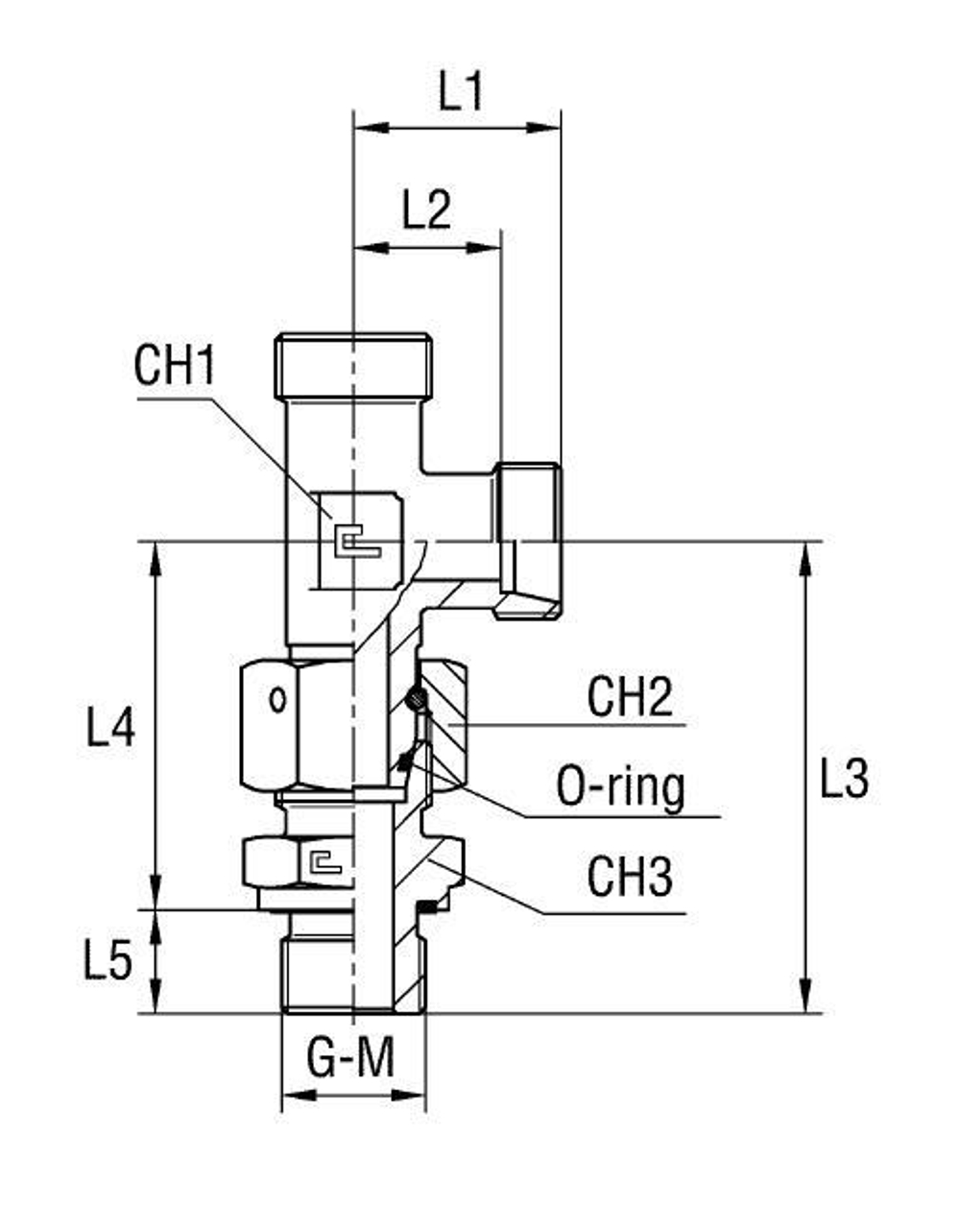
| Артикул | Бренд | CH1 | CH2 | CH3 | L1 (мм) | L2 (мм) | L3 | L4 | L5 | Ø трубы D1 | WP (bar) | Исполнение трубного соединения | резьба G | Резьба ТС 1 | Резьба ТС 2 | серия | Стандарт ТС | Тип трубного соединения | Часть |
| 604712.1 | CAST | 41 | 50 | 50 | 45 | 34,5 | 89 | 69 | 20 | 35 | 250 | L-образный | 1 1/4 | M | BSP | L | Соединения 24° DIN 2353 | ввертной | Изделия из углеродистой стали |
Характеристики
Бренд
CAST
D трубы M1 D1
35
WP (bar) рабочее давление
250
Исполнение трубного соединения
L-образный
Размер CH1
41
Размер CH2
50
Размер L1 (мм)
45
Размер L2 (мм)
34,5
Размер резьбы 5
1 1/4
Резьба ТС 1
M
Резьба ТС 2
BSP
Серия
L
Стандарт трубных соединений
Соединения 24° DIN 2353
Тип трубного соединения
ввертной
Размер L3
89
Порядковый номер таблицы
Изделия из углеродистой стали
Размер L4
69
Размер CH3
50
Размер L5
20
Все характеристики
Отзывы
Отзывов еще никто не оставлял
