Описание
Характеристики
Отзывы
Описание
Если Вы хотите заказать изделие из нержавеющей стали, замените первые две цифры артикула с 60... на 61...
Характеристики
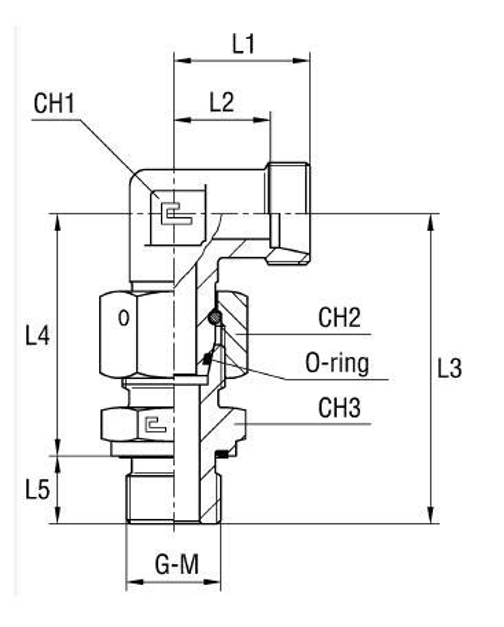
| Артикул | Бренд | CH1 | CH2 | CH3 | L1 (мм) | L2 (мм) | L3 | L4 | L5 | L6 | Ø трубы D1 | WP (bar) | Исполнение трубного соединения | резьба G | Резьба ТС 1 | Резьба ТС 2 | серия | Стандарт ТС | Тип трубного соединения |
| 604307.1 | CAST | 17 | 22 | 22 | 24 | 17 | 54 | 42 | 12 | 32 | 12 | 400 | 90 град. | 3/8 | M | BSP | L | Соединения 24° DIN 2353 | ввертной |
Характеристики
Бренд
CAST
D трубы M1 D1
12
WP (bar) рабочее давление
400
Исполнение трубного соединения
90 град.
Размер CH1
17
Размер CH2
22
Размер L1 (мм)
24
Размер L2 (мм)
17
Размер резьбы 5
3/8
Резьба ТС 1
M
Резьба ТС 2
BSP
Серия
L
Стандарт трубных соединений
Соединения 24° DIN 2353
Тип трубного соединения
ввертной
Размер L3
54
Размер L4
42
Размер CH3
22
Размер L5
12
Размер L6
32
Все характеристики
Отзывы
Отзывов еще никто не оставлял
