Описание
Характеристики
Отзывы
Описание
Если Вы хотите заказать изделие из нержавеющей стали, замените первые две цифры артикула с 60... на 61...
Характеристики
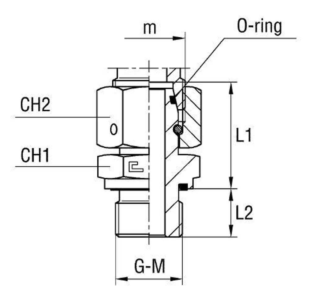
| Артикул | Бренд | CH1 | CH2 | L1 (мм) | L2 (мм) | Ø трубы D1 | WP (bar) | Исполнение трубного соединения | резьба M | резьба m D1 | Резьба ТС 1 | Резьба ТС 2 | серия | Стандарт ТС | Тип трубного соединения |
| 600620 | CAST | 32 | 36 | 43 | 16 | 20 | 420 | прямой | 27x2 | 30x2 | M | M | S | Соединения 24° DIN 2353 | ввертной |
Характеристики
Бренд
CAST
D трубы M1 D1
20
WP (bar) рабочее давление
420
Исполнение трубного соединения
прямой
Размер CH1
32
Размер CH2
36
Размер L1 (мм)
43
Размер L2 (мм)
16
Резьба ТС 1
M
Резьба ТС 2
M
Серия
S
Стандарт трубных соединений
Соединения 24° DIN 2353
Тип трубного соединения
ввертной
Размер резьбы 12
27x2
Размер резьбы 1
30x2
Все характеристики
Отзывы
Отзывов еще никто не оставлял
