Описание
Характеристики
Отзывы
Описание
Если Вы хотите заказать изделие из нержавеющей стали, замените первые две цифры артикула с 60... на 61...
Характеристики
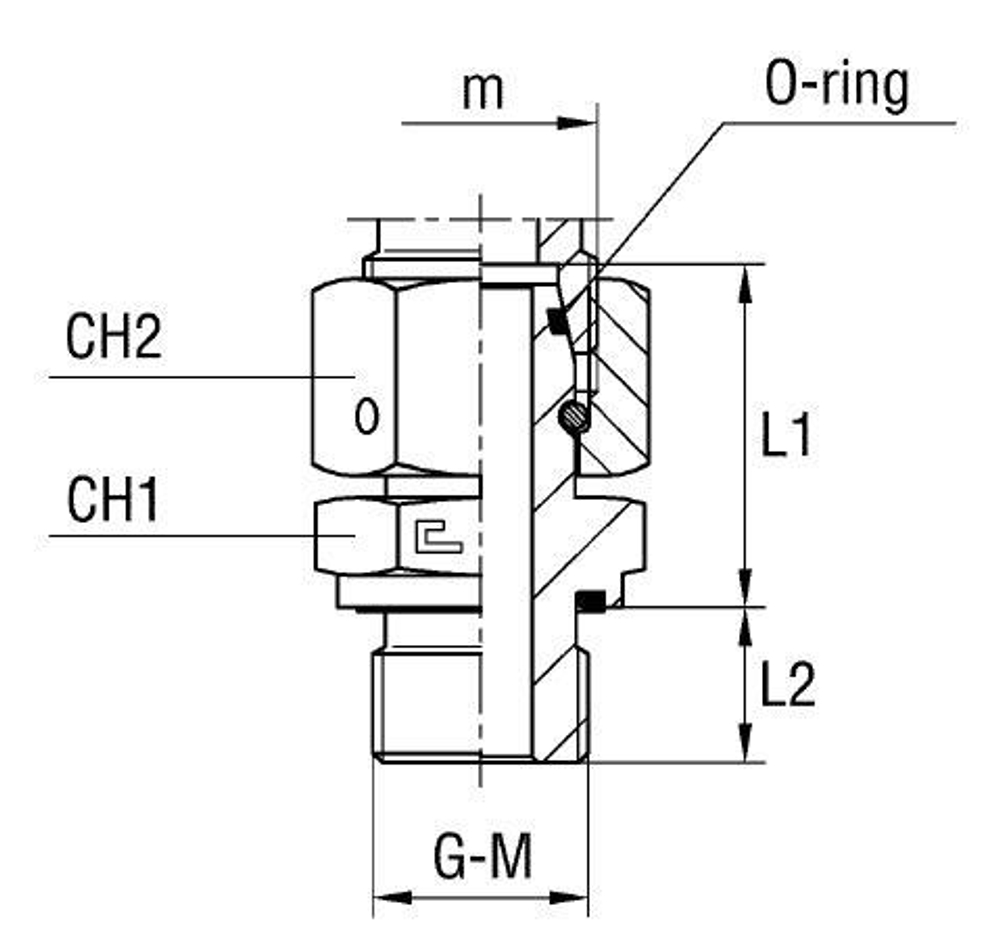
| Артикул | Бренд | CH1 | CH2 | L1 (мм) | L2 (мм) | Ø трубы D1 | WP (bar) | Исполнение трубного соединения | резьба M | резьба m D1 | Резьба ТС 1 | Резьба ТС 2 | серия | Стандарт ТС | Тип трубного соединения |
| 600619 | CAST | 27 | 30 | 37 | 14 | 16 | 630 | прямой | 22x1.5 | 24x1.5 | M | M | S | Соединения 24° DIN 2353 | ввертной |
Характеристики
Бренд
CAST
D трубы M1 D1
16
WP (bar) рабочее давление
630
Исполнение трубного соединения
прямой
Размер CH1
27
Размер CH2
30
Размер L1 (мм)
37
Размер L2 (мм)
14
Резьба ТС 1
M
Резьба ТС 2
M
Серия
S
Стандарт трубных соединений
Соединения 24° DIN 2353
Тип трубного соединения
ввертной
Размер резьбы 12
22x1.5
Размер резьбы 1
24x1.5
Все характеристики
Отзывы
Отзывов еще никто не оставлял
