Описание
Характеристики
Отзывы
Описание
Если Вы хотите заказать изделие из нержавеющей стали, замените первые две цифры артикула с 60... на 61...
Характеристики
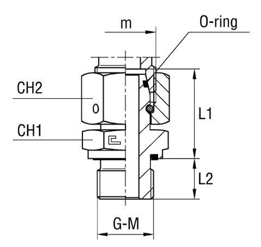
| Артикул | Бренд | CH1 | CH2 | L1 (мм) | L2 (мм) | Ø трубы D1 | WP (bar) | Исполнение трубного соединения | резьба M | резьба m D1 | Резьба ТС 1 | Резьба ТС 2 | серия | Стандарт ТС | Тип трубного соединения |
| 600611 | CAST | 41 | 41 | 35 | 18 | 28 | 250 | прямой | 33x2 | 36x2 | M | M | L | Соединения 24° DIN 2353 | ввертной |
Характеристики
Бренд
CAST
D трубы M1 D1
28
WP (bar) рабочее давление
250
Исполнение трубного соединения
прямой
Размер CH1
41
Размер CH2
41
Размер L1 (мм)
35
Размер L2 (мм)
18
Резьба ТС 1
M
Резьба ТС 2
M
Серия
L
Стандарт трубных соединений
Соединения 24° DIN 2353
Тип трубного соединения
ввертной
Размер резьбы 12
33x2
Размер резьбы 1
36x2
Все характеристики
Отзывы
Отзывов еще никто не оставлял
