Описание
Характеристики
Отзывы
Описание
Если вы хотите заказать изделие из нержавеющей стали, замените первые две цифры артикула с 40.... на 41....
Характеристики
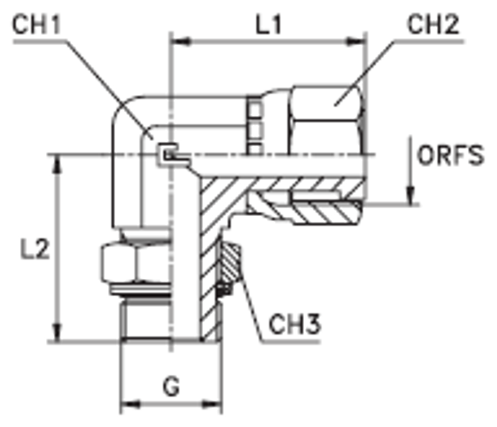
| Артикул | Бренд | CH1 | CH2 | CH3 | L1 (мм) | L2 (мм) | Ø трубы D1 | Ø трубы W | WP (bar) | Исполнение трубного соединения | резьба G | резьба ORFS | Резьба ТС 1 | Резьба ТС 2 | серия | Стандарт ТС | Тип трубного соединения |
| 406907 | CAST | 41 | 50 | 50 | 58 | 60,5 | 28-30-32 | 1 1/4 | 200 | 90 град. | 1 1/4 | 1 11/16-12 | UNF | BSP | Универсальная | Соединения 90° SAE-J1453 | ввертной |
Характеристики
Бренд
CAST
D трубы M1 D1
28-30-32
D трубы W
1 1/4
WP (bar) рабочее давление
200
Исполнение трубного соединения
90 град.
Размер CH1
41
Размер CH2
50
Размер L1 (мм)
58
Размер L2 (мм)
60,5
Размер резьбы 5
1 1/4
Размер резьбы 8
1 11/16-12
Резьба ТС 1
UNF
Резьба ТС 2
BSP
Серия
Универсальная
Стандарт трубных соединений
Соединения 90° SAE-J1453
Тип трубного соединения
ввертной
Размер CH3
50
Все характеристики
Отзывы
Отзывов еще никто не оставлял
