Универсальные штуцеры серии F 24 (конус 24° по DIN 2353), оснащённые уплотнением типа E (ISO 1179), представляют собой специализированные быстроразъёмные соединения для труб, которые оптимизируют монтаж и обслуживание. Благодаря сочетанию дюймовой резьбы BSP и такого уплотнения типа E (BSP), они идеально подходят для частой сборки и разборки линий, особенно в контрольно-измерительных комплексах и испытательных стендах.
Ключевые параметры:
- Исполнение: Конус 24° (DIN 2353) с уплотнением типа E по ISO 1179.
- Резьба: Наружная дюймовая цилиндрическая (BSP).
- Материалы: Углеродистая сталь с цинковым покрытием или нержавеющая сталь (AISI 316/304) для повышенной коррозионной стойкости.
Примечание: Изделие не соответствует норме ISO 8434-1 и поставляется под заказ. В артикуле (напр., 104904.1) замена первых двух цифр на «11» обозначает корпус из нержавеющей стали AISI 316, на «14» — гайку из AISI 304.
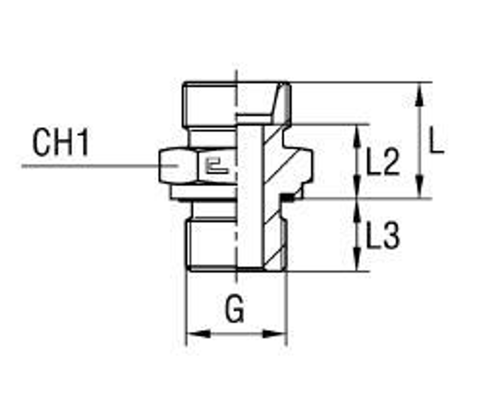
Пример типовых размеров (арт. 104904.1, резьба 12×1.5):
- L1: 39.5 мм
- L2: 32.5 мм
- L3: 8 мм
- CH1/CH2: по 17 мм
Применение
Штуцеры F 24 с уплотнением типа E широко применяются для создания быстроразъемных соединений в трубопроводных системах, особенно при подключении измерительных устройств. Эти соединения обеспечивают герметичность и легкость в эксплуатации, что делает их идеальными для использования в различных промышленных областях.
Характеристики
| Артикул | Бренд | CH1 | CH2 | L1 (мм) | L2 (мм) | L3 | L4 | Ø трубы D1 | WP (bar) | Исполнение трубного соединения | резьба G | Резьба ТС 1 | Резьба ТС 2 | серия | Стандарт ТС | Тип трубного соединения |
| 100519.1 | CAST | 27 | 30 | 27 | 18,5 | 14 | 37 | 16 | 630 | прямой | 1/2 | M | BSP | S | Соединения 24° DIN 2353 | ввертной |
