Описание
Характеристики
Отзывы
Описание
Если Вы хотите заказать фитинг из нержавеющей стали AISI 316, замените первые две цифры артикула с 10.... на 11....
Если Вы хотите заказать фитинг из нержавеющей стали AISI 316 с гайкой из нержавеющей стали AISI 304, замените первые две цифры артикула с 10.... на 14....
Позиция не соответствует норме ISO 8434-1.
Если Вы хотите заказать фитинг из нержавеющей стали AISI 316 с гайкой из нержавеющей стали AISI 304, замените первые две цифры артикула с 10.... на 14....
Позиция не соответствует норме ISO 8434-1.
Характеристики
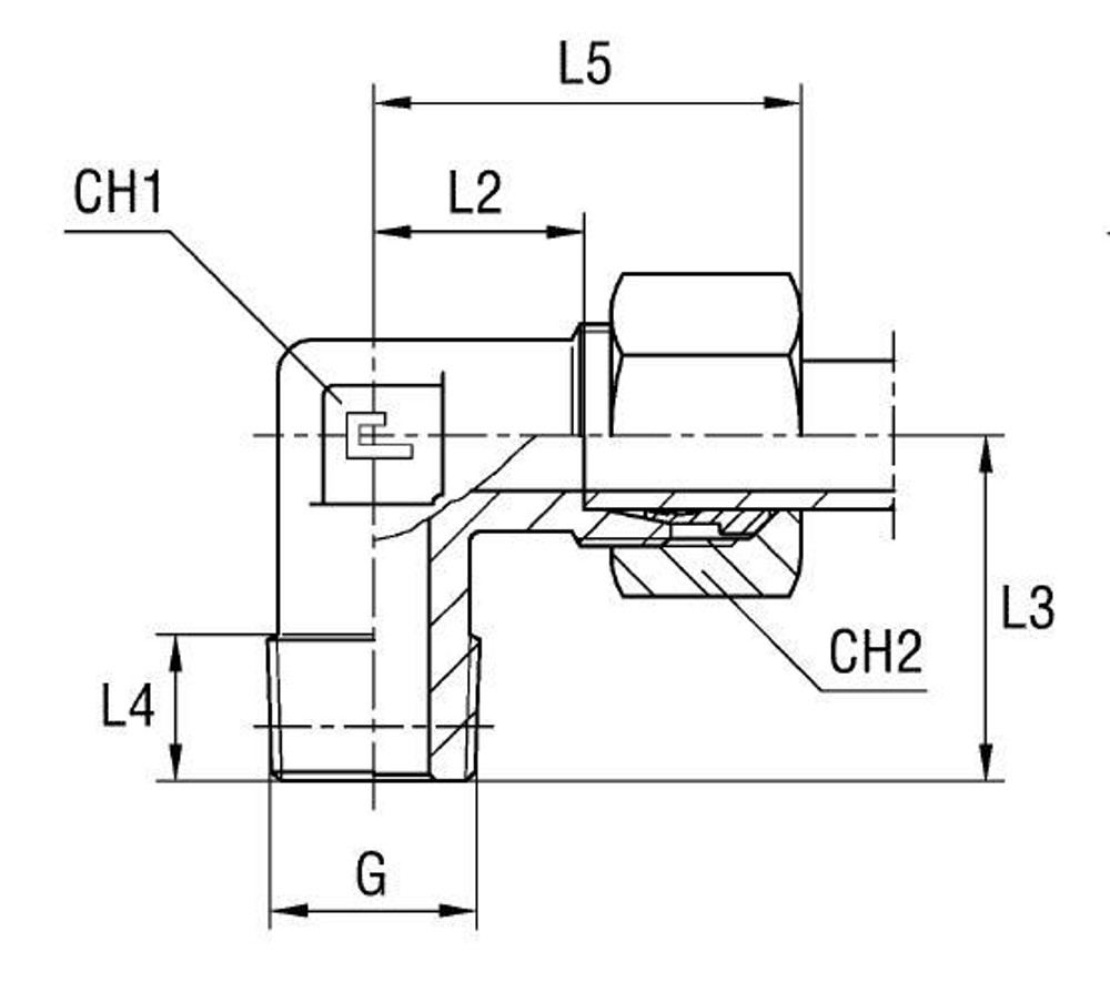
| Артикул | Бренд | CH1 | CH2 | L2 (мм) | L3 | L4 | L5 | Ø трубы D1 | WP (bar) | Исполнение трубного соединения | резьба G | Резьба ТС 1 | Резьба ТС 2 | серия | Стандарт ТС | Тип трубного соединения |
| 102010 | CAST | 27 | 36 | 27,5 | 42 | 16 | 44 | 22 | 160 | 90 град. | 3/4 | M | BSPT | L | Соединения 24° DIN 2353 | ввертной |
Характеристики
Бренд
CAST
D трубы M1 D1
22
WP (bar) рабочее давление
160
Исполнение трубного соединения
90 град.
Размер CH1
27
Размер CH2
36
Размер L2 (мм)
27,5
Размер резьбы 5
3/4
Резьба ТС 1
M
Резьба ТС 2
BSPT
Серия
L
Стандарт трубных соединений
Соединения 24° DIN 2353
Тип трубного соединения
ввертной
Размер L3
42
Размер L4
16
Размер L5
44
Все характеристики
Отзывы
Отзывов еще никто не оставлял
