Описание
Характеристики
Отзывы
Описание
Если Вы хотите заказать изделие из нержавеющей стали, замените первые две цифры артикула с 30.... на 31....
Характеристики
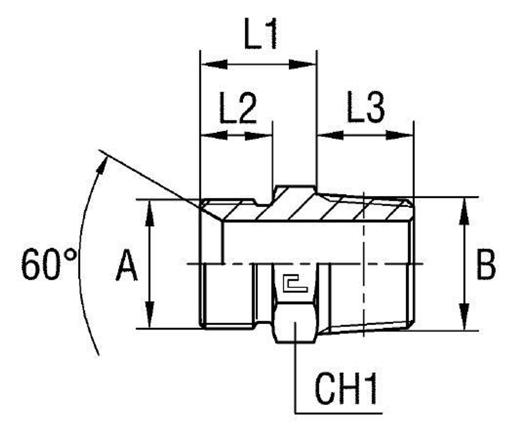
| Артикул | Бренд | A +0,13 -0,00 | B | CH1 | L1 (мм) | L2 (мм) | L3 | WP (bar) | Исполнение трубного соединения | Резьба ТС 1 | Резьба ТС 2 | серия | Стандарт ТС | Тип трубного соединения |
| 300411 | CAST | 1 | 1 | 36 | 29 | 19 | 24 | 160 | прямой | BSP | NPT | Универсальная | Соединения 60° BS-5200 | ввертной |
Характеристики
Бренд
CAST
WP (bar) рабочее давление
160
Исполнение трубного соединения
прямой
Размер CH1
36
Размер L1 (мм)
29
Размер L2 (мм)
19
Резьба ТС 1
BSP
Резьба ТС 2
NPT
Серия
Универсальная
Стандарт трубных соединений
Соединения 60° BS-5200
Тип трубного соединения
ввертной
Размер L3
24
Размер B
1
USIT Размер A +0,13 -0,00
1
Все характеристики
Отзывы
Отзывов еще никто не оставлял
