Описание
Характеристики
Отзывы
Описание
Если Вы хотите заказать фитинг из нержавеющей стали AISI 316, замените первые две цифры артикула с 10.... на 11....
Если Вы хотите заказать фитинг из нержавеющей стали AISI 316 с гайкой из нержавеющей стали AISI 304, замените первые две цифры артикула с 10.... на 14....
Если Вы хотите заказать фитинг из нержавеющей стали AISI 316 с гайкой из нержавеющей стали AISI 304, замените первые две цифры артикула с 10.... на 14....
Характеристики
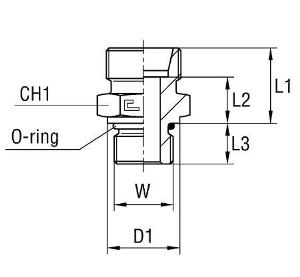
| Артикул | Бренд | CH1 | CH2 | D1 | L1 (мм) | L2 (мм) | L3 | L4 | Ø трубы D1 | WP (bar) | Исполнение трубного соединения | резьба W | Резьба ТС 1 | Резьба ТС 2 | серия | Стандарт ТС | Тип трубного соединения |
| 100908.1 | CAST | 24 | 27 | 21,8 | 20,9 | 13,9 | 11,1 | 29 | 15 | 315 | прямой | 3/4-16 | M | UNF | L | Соединения 24° DIN 2353 | ввертной |
Характеристики
Бренд
CAST
D трубы M1 D1
15
WP (bar) рабочее давление
315
Исполнение трубного соединения
прямой
Размер CH1
24
Размер CH2
27
Размер L1 (мм)
20,9
Размер L2 (мм)
13,9
Резьба ТС 1
M
Резьба ТС 2
UNF
Серия
L
Стандарт трубных соединений
Соединения 24° DIN 2353
Тип трубного соединения
ввертной
Размер L3
11,1
Размер D1
21,8
Размер резьбы 6
3/4-16
Размер L4
29
Все характеристики
Отзывы
Отзывов еще никто не оставлял
