Описание
Характеристики
Отзывы
Описание
Если Вы хотите заказать фитинг из нержавеющей стали AISI 316, замените первые две цифры артикула с 10.... на 11....
Если Вы хотите заказать фитинг из нержавеющей стали AISI 316 с гайкой из нержавеющей стали AISI 304, замените первые две цифры артикула с 10.... на 14....
Если Вы хотите заказать фитинг из нержавеющей стали AISI 316 с гайкой из нержавеющей стали AISI 304, замените первые две цифры артикула с 10.... на 14....
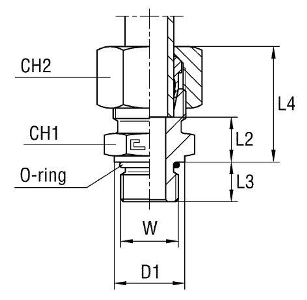
Характеристики
| Артикул | Бренд | CH1 | CH2 | D1 | L1 (мм) | L2 (мм) | L3 | L4 | Ø трубы D1 | WP (bar) | Исполнение трубного соединения | резьба W | Резьба ТС 1 | Резьба ТС 2 | серия | Стандарт ТС | Тип трубного соединения |
| 100907.1 | CAST | 19 | 22 | 18,8 | 18 | 11 | 10 | 25,5 | 12 | 315 | прямой | 9/16-18 | M | UNF | L | Соединения 24° DIN 2353 | ввертной |
Характеристики
Бренд
CAST
D трубы M1 D1
12
WP (bar) рабочее давление
315
Исполнение трубного соединения
прямой
Размер CH1
19
Размер CH2
22
Размер L1 (мм)
18
Размер L2 (мм)
11
Резьба ТС 1
M
Резьба ТС 2
UNF
Серия
L
Стандарт трубных соединений
Соединения 24° DIN 2353
Тип трубного соединения
ввертной
Размер L3
10
Размер D1
18,8
Размер резьбы 6
9/16-18
Размер L4
25,5
Все характеристики
Отзывы
Отзывов еще никто не оставлял
