Описание
Характеристики
Отзывы
Описание
Если Вы хотите заказать изделие из нержавеющей стали, замените первые две цифры артикула с 80.... на 81....
Характеристики
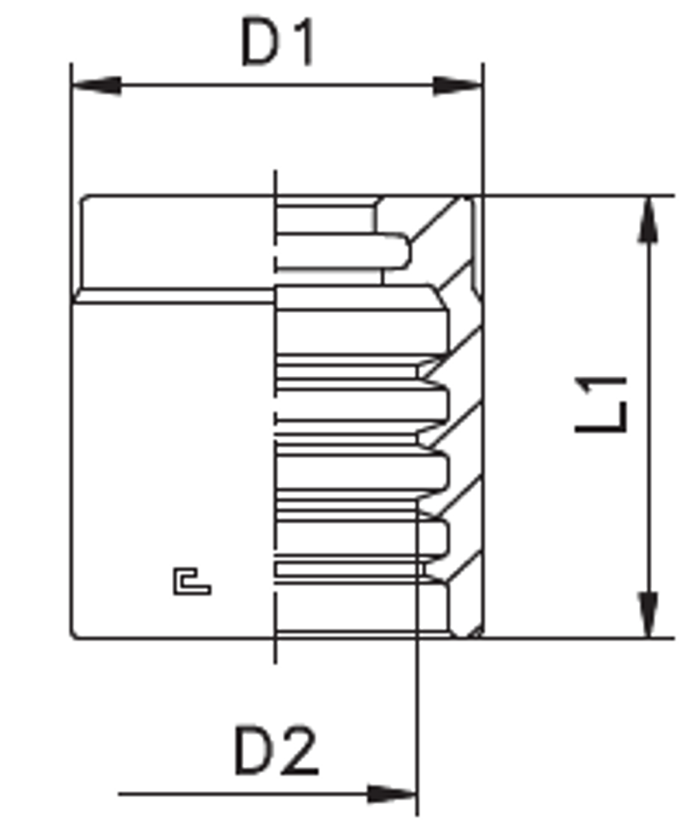
| Артикул | Бренд | D1 | D2 | DN | ID (дюйм) | L1 | Стандарт фитинга/муфты | Тип муфты |
| 800553-COMP | CAST | 22 | 16 | 8 | 5/16 | 26 | Стандартный | 1SC |
Характеристики
Бренд
CAST
Стандарт фитинга/муфты для РВД
Стандартный
ID (дюйм)
5/16
DN (услов внут диам рукава, фитингов)
8
Тип муфты для РВД
1SC
Размер D1 фитинги Каст
22
Размер D2 фитинги Каст
16
Размер L1 фитинги Каст
26
Отзывы
Отзывов еще никто не оставлял
