Описание
Характеристики
Отзывы
Описание
Используется в гидравлических системах для открытия или закрытия потока в линии трубопровода под высоким давлением.
Характеристики
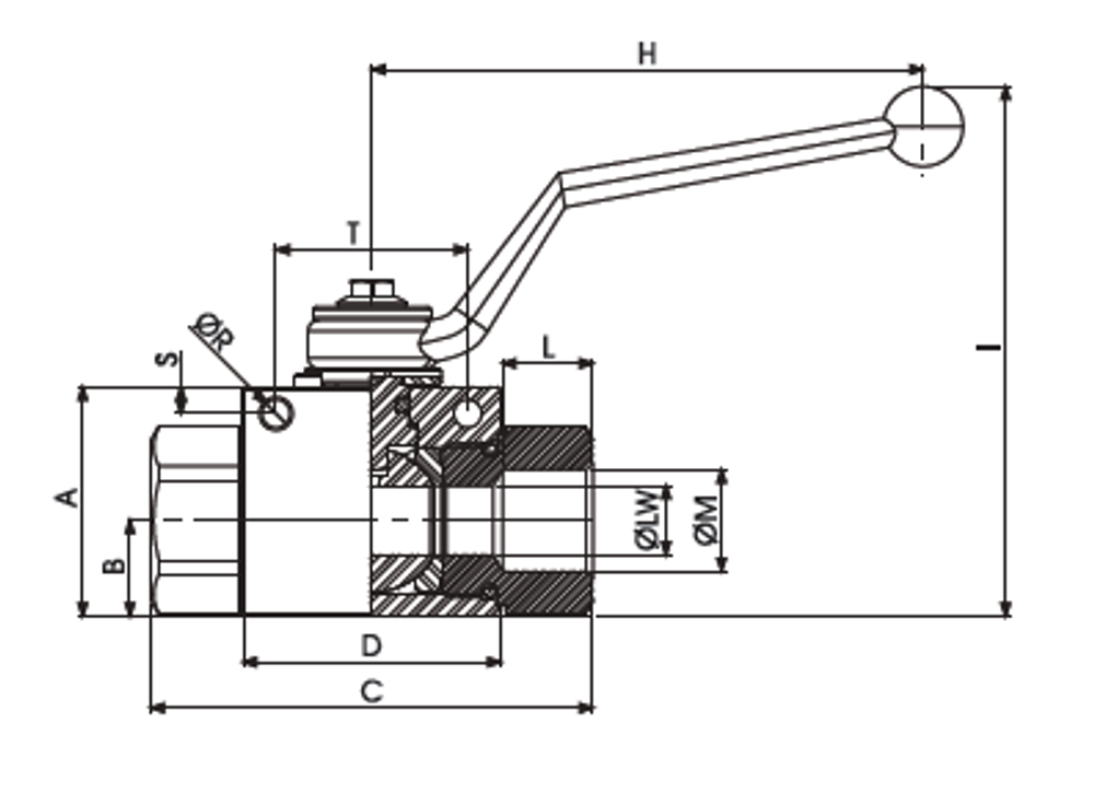
| Артикул | Бренд | A +0,13 -0,00 | B | C | CH | D (мм) | DN | E | F | G | H | I | L | ØR | SW (мм) | WP (bar) | вес, кг | М | размер резьбы | Часть |
| VS-BV-2-BSP034-P42-FH | VERSO | 57 | 23,4 | 95 | 41 | 62,5 | 20 | 14 | 73,5 | 49 | 180 | 106,5 | 21 | 6,25 | 14 | 400 | 1,438 | G3/4 | BSP 3/4" | Шаровые краны с отверстиями для монтажа |
Характеристики
Бренд
VERSO
WP (bar) рабочее давление
400
Размер M фитинги Каст
G3/4
Размер SW фитинги Cohline
14
Вес без упаковки, кг
1,438
Порядковый номер таблицы
Шаровые краны с отверстиями для монтажа
Размер B
23,4
Размер E
14
Размер F
73,5
Размер I
106,5
Размер L (мм)
21
USIT Размер A +0,13 -0,00
57
Размер C
95
Размер CH
41
Размер D (мм)
62,5
Размер резьбы
BSP 3/4"
Размер H
180
DN (услов внут диам рукава, фитингов)
20
Размер G фитинги Тиеффе
49
D отверстия
6,25
Все характеристики
Отзывы
Отзывов еще никто не оставлял
