Описание
Характеристики
Отзывы
Описание
Характеристики
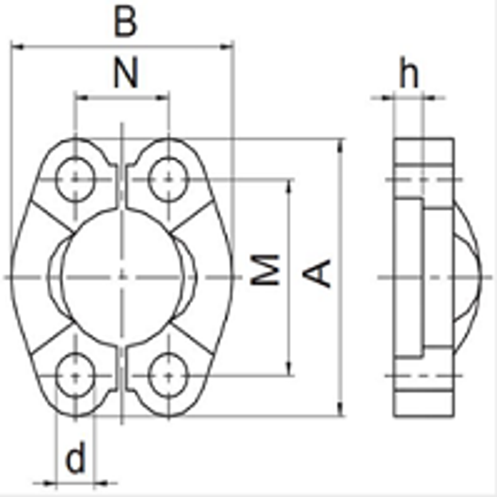
| Артикул | Бренд | A | B | d | h | M | M метр. | N | WP (bar) | Соед. дюйм | Стандарт фитинга/муфты | Тип фитинга |
| PM-AFS603B | POWERMASTER | 81 | 69.6 | 13.5 | 9 | 57.2 | M12x45 | 27.8 | 420 | 1 | Стандартный | SF (ФЛАНЕЦ) |
Характеристики
Бренд
POWERMASTER
WP (bar) рабочее давление
420
Стандарт фитинга/муфты для РВД
Стандартный
Тип фитинга для РВД
SF (ФЛАНЕЦ)
Размер соедин. фланца фитинги Тиеффе
1
A (для скоб STECK)
81
B (для скоб STECK)
69.6
d уплотнения для фланцев
13.5
h полуфланцы PM
9
M метр. полуфланцы PM
M12x45
M полуфланцы PM
57.2
N полуфланцы PM
27.8
Все характеристики
Отзывы
Отзывов еще никто не оставлял
