Описание
Характеристики
Отзывы
Описание
Характеристики
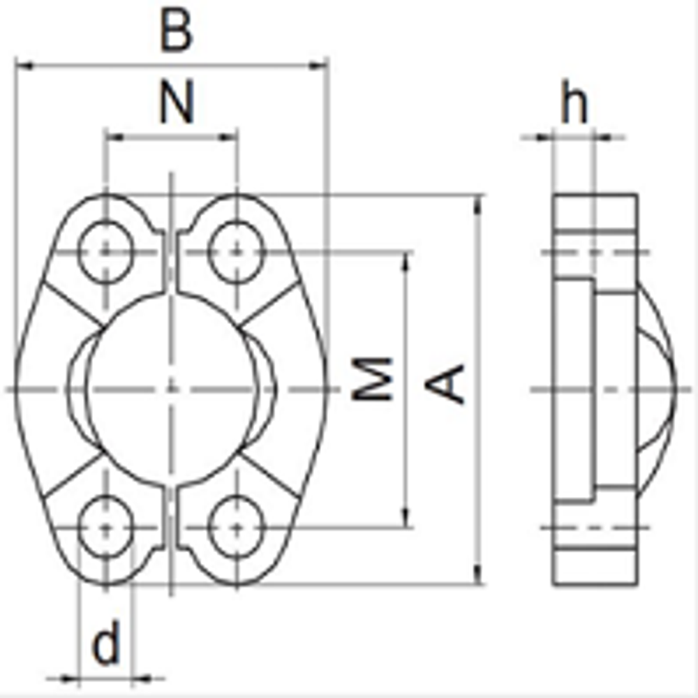
| Артикул | Бренд | A | B | d | h | M | M метр. | N | WP (bar) | Соед. дюйм | Стандарт фитинга/муфты | Тип фитинга |
| PM-AFS306B | POWERMASTER | 102 | 96.4 | 13.5 | 9 | 77.8 | M12x35 | 42.9 | 207 | 2 | Стандартный | SF (ФЛАНЕЦ) |
Характеристики
Бренд
POWERMASTER
WP (bar) рабочее давление
207
Стандарт фитинга/муфты для РВД
Стандартный
Тип фитинга для РВД
SF (ФЛАНЕЦ)
Размер соедин. фланца фитинги Тиеффе
2
A (для скоб STECK)
102
B (для скоб STECK)
96.4
d уплотнения для фланцев
13.5
h полуфланцы PM
9
M метр. полуфланцы PM
M12x35
M полуфланцы PM
77.8
N полуфланцы PM
42.9
Все характеристики
Отзывы
Отзывов еще никто не оставлял
