Описание
Характеристики
Отзывы
Описание
Если вы хотите заказать изделие из нержавеющей стали, замените первые две цифры артикула с 80.... на 81....
Характеристики
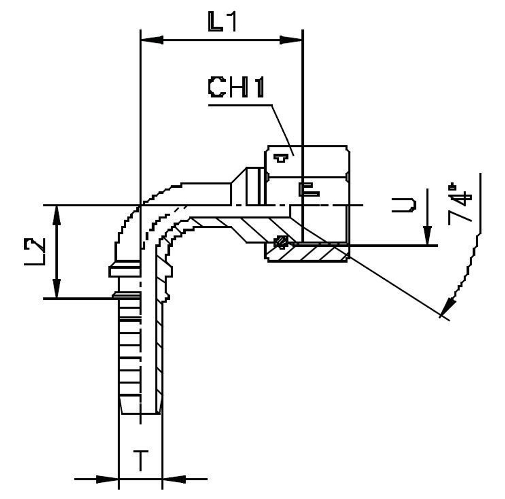
| Артикул | Бренд | CH1 | DASH | DN | ID (дюйм) | L1 | L2 | U | WP (bar) | Вид | Вид резьбы | Стандарт фитинга/муфты | Тип фитинга | Угол фитинга |
| 802020 | CAST | 50 | -20 | 31 | 1.1/4 | 80 | 75,5 | 1 5/8-12 | 210 | X | Внутренняя | Стандартный | JIC | 90 град. |
Характеристики
Бренд
CAST
WP (bar) рабочее давление
210
Размер CH1
50
Вид
X
Вид резьбы фитинга для РВД
Внутренняя
Стандарт фитинга/муфты для РВД
Стандартный
Тип фитинга для РВД
JIC
Угол фитинга для РВД
90 град.
ID (дюйм)
1.1/4
Размер U фитинги Каст
1 5/8-12
DN (услов внут диам рукава, фитингов)
31
DASH размер продукции (рукава, фитинги, TC)
-20
Размер L1 фитинги Каст
80
Размер L2 фитинги Каст
75,5
Все характеристики
Отзывы
Отзывов еще никто не оставлял
