Описание
Характеристики
Отзывы
Описание
Характеристики
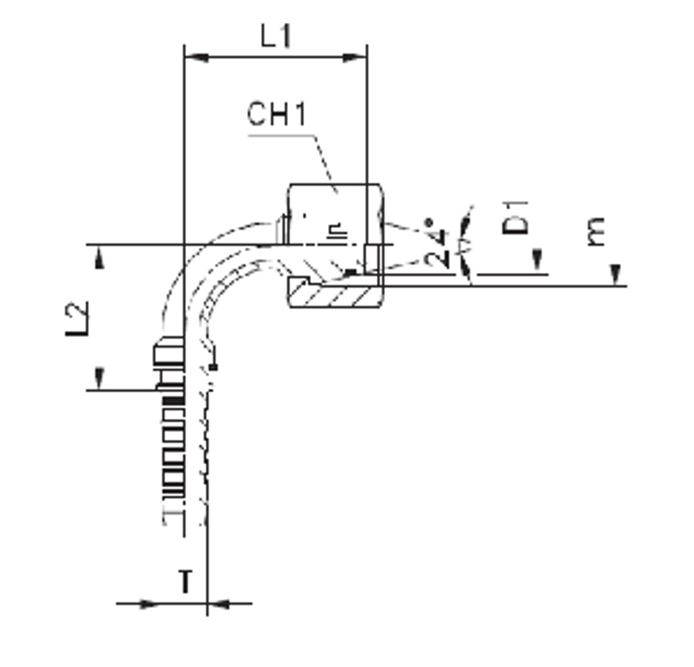
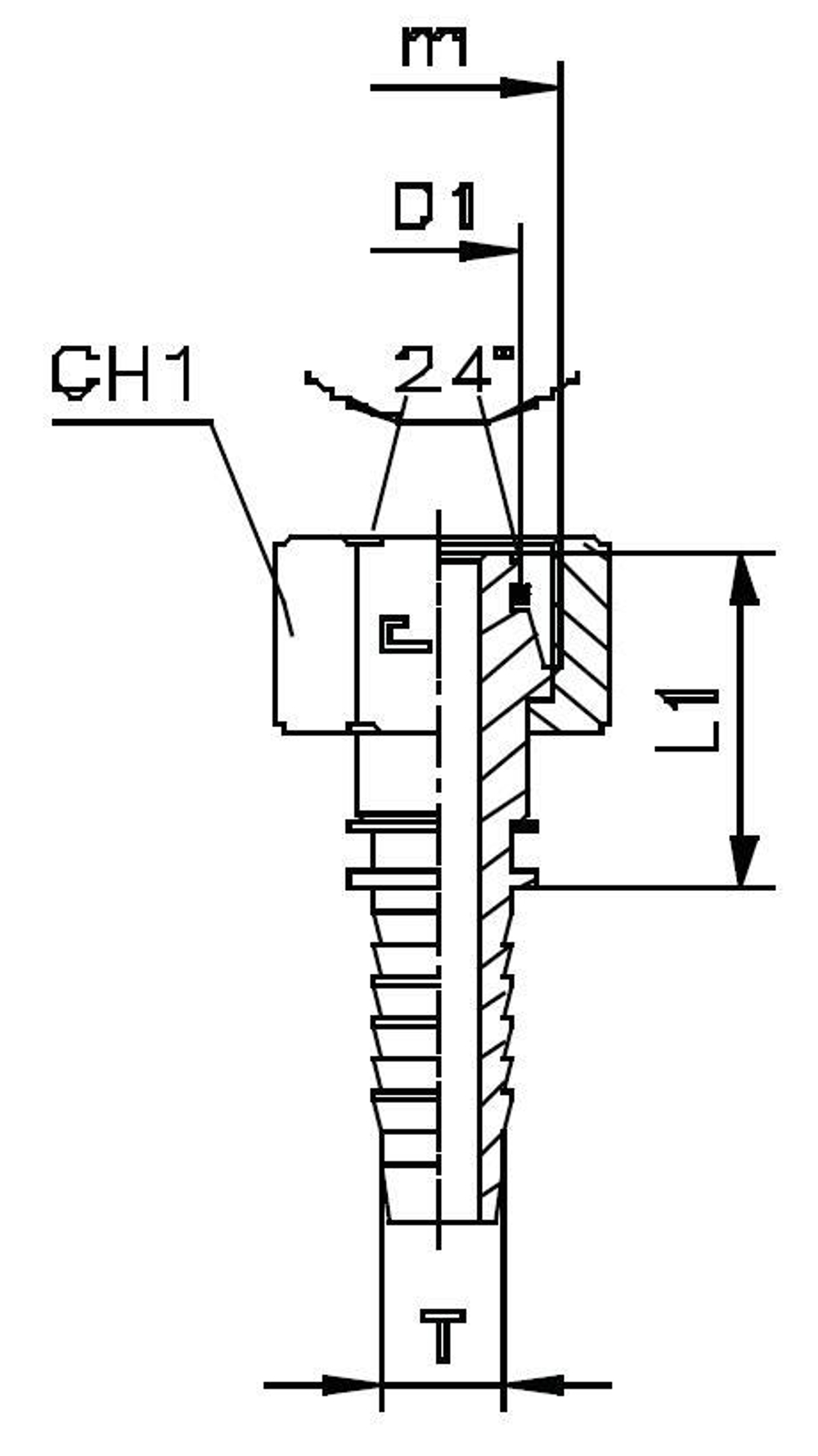
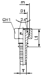
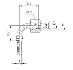
| Артикул | Бренд | CH1 | D1 | DASH | DN | ID (дюйм) | L1 | L2 | WP (bar) | Вид резьбы | М | Угол фитинга |
| 801129 | CAST | 41 | 25S | -16 | 25 | 1 | 62,5 | 63 | 280 | Внутренняя | 36x2 | 90 град. |
Характеристики
Бренд
CAST
WP (bar) рабочее давление
280
Размер CH1
41
Размер M фитинги Каст
36x2
Вид резьбы фитинга для РВД
Внутренняя
Угол фитинга для РВД
90 град.
ID (дюйм)
1
DN (услов внут диам рукава, фитингов)
25
DASH размер продукции (рукава, фитинги, TC)
-16
Размер L1 фитинги Каст
62,5
Размер L2 фитинги Каст
63
Размер соедин. D1 фитинги Каст
25S
Все характеристики
Отзывы
Отзывов еще никто не оставлял
