Описание
Характеристики
Отзывы
Описание
Характеристики
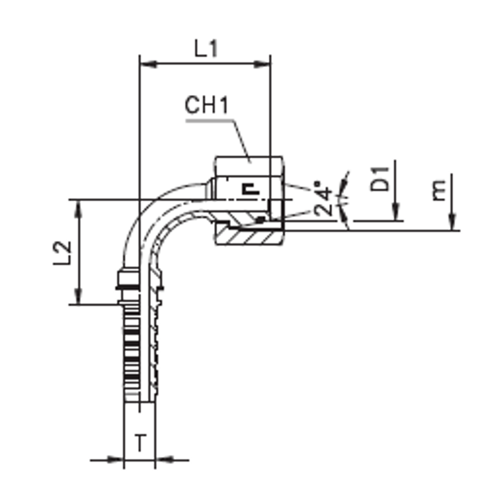
| Артикул | Бренд | CH1 | D1 | DASH | DN | ID (дюйм) | L1 | L2 | WP (bar) | Вид резьбы | М | Угол фитинга |
| 801128 | CAST | 41 | 25S | -12 | 19 | 3/4 | 61,5 | 47,5 | 350 | Внутренняя | 36x2 | 90 град. |
Характеристики
Бренд
CAST
WP (bar) рабочее давление
350
Размер CH1
41
Размер M фитинги Каст
36x2
Вид резьбы фитинга для РВД
Внутренняя
Угол фитинга для РВД
90 град.
ID (дюйм)
3/4
DN (услов внут диам рукава, фитингов)
19
DASH размер продукции (рукава, фитинги, TC)
-12
Размер L1 фитинги Каст
61,5
Размер L2 фитинги Каст
47,5
Размер соедин. D1 фитинги Каст
25S
Все характеристики
Отзывы
Отзывов еще никто не оставлял
