Описание
Характеристики
Отзывы
Описание
Характеристики
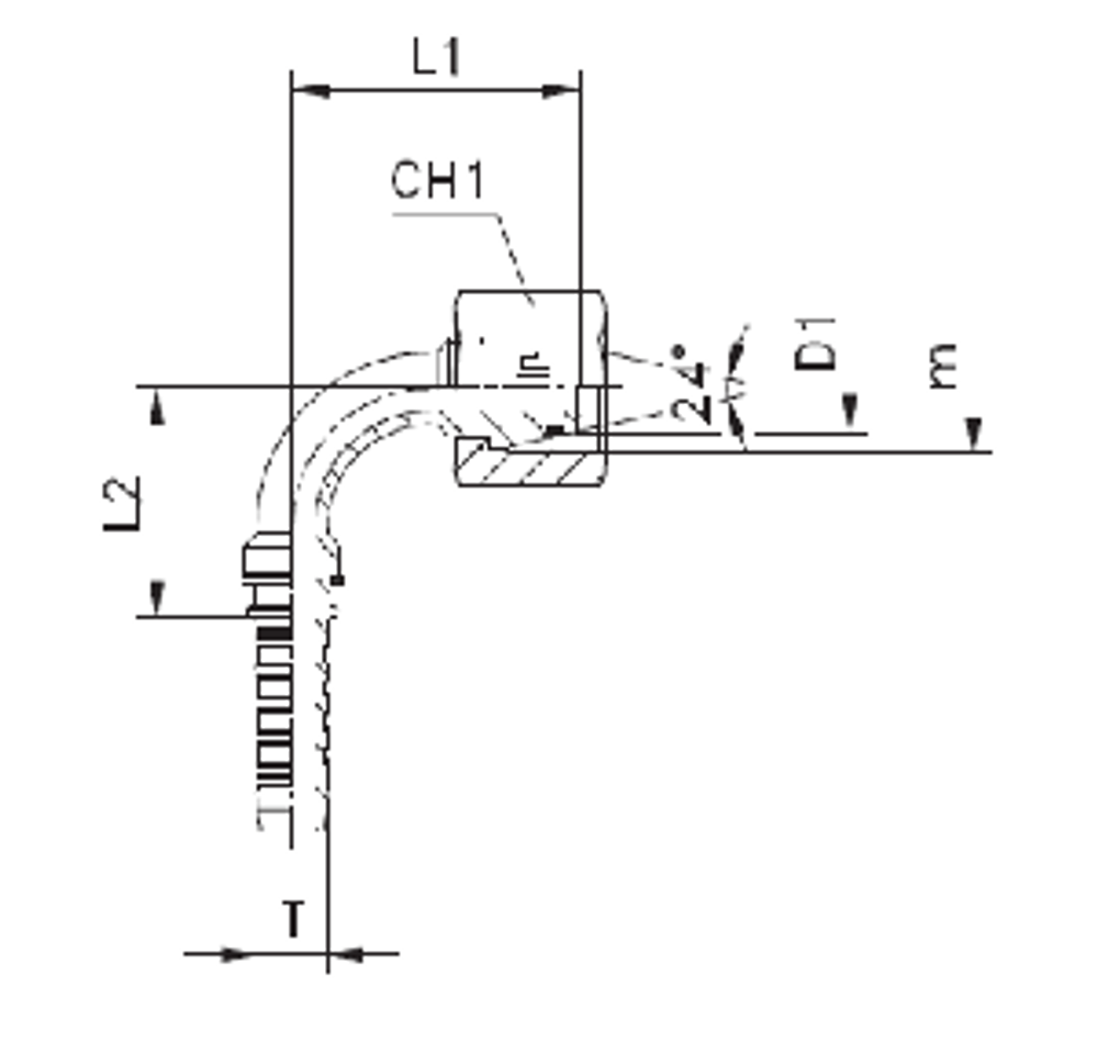
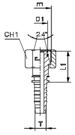
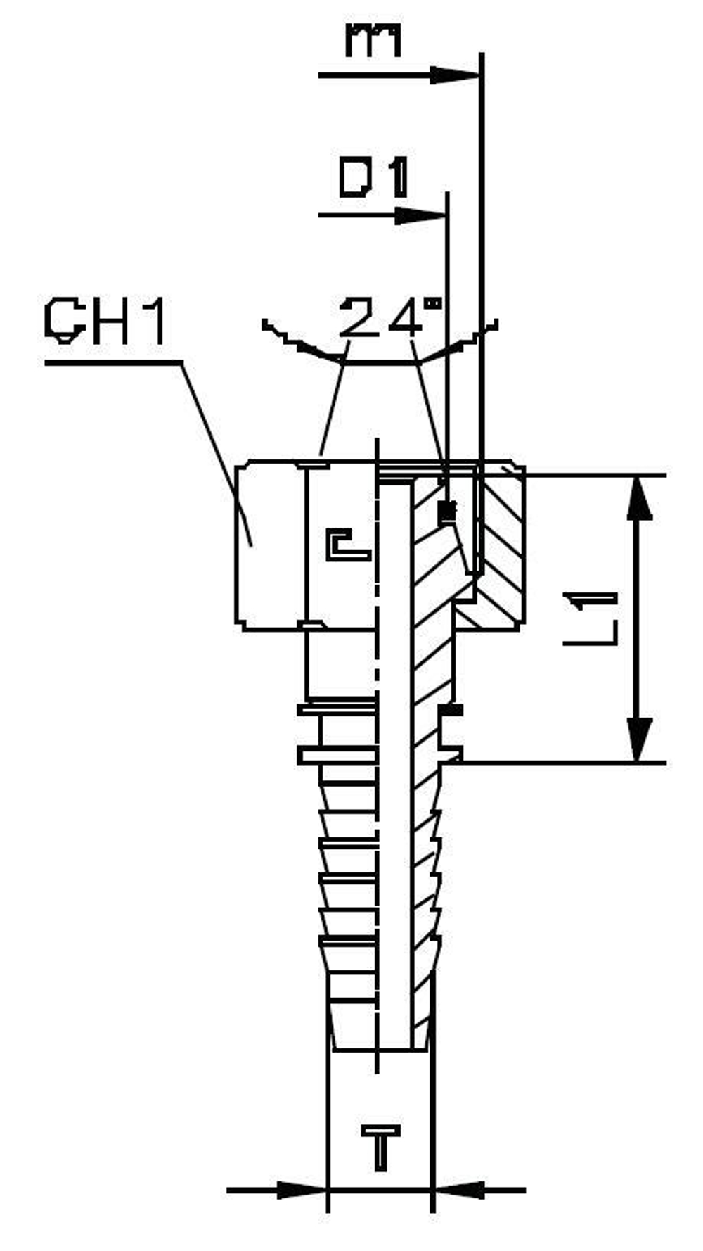
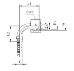
| Артикул | Бренд | CH1 | D1 | DASH | DN | ID (дюйм) | L1 | L2 | WP (bar) | Вид резьбы | М | Угол фитинга |
| 801122 | CAST | 30 | 16S | -8 | 12 | 1/2 | 42,5 | 35,5 | 400 | Внутренняя | 24x1,5 | 90 град. |
Характеристики
Бренд
CAST
WP (bar) рабочее давление
400
Размер CH1
30
Размер M фитинги Каст
24x1,5
Вид резьбы фитинга для РВД
Внутренняя
Угол фитинга для РВД
90 град.
ID (дюйм)
1/2
DN (услов внут диам рукава, фитингов)
12
DASH размер продукции (рукава, фитинги, TC)
-8
Размер L1 фитинги Каст
42,5
Размер L2 фитинги Каст
35,5
Размер соедин. D1 фитинги Каст
16S
Все характеристики
Отзывы
Отзывов еще никто не оставлял
